Состоит из фильтра-влагоотделителя и редукционного пневмоклапана, собранного в одном корпусе и аварийного клапана типа БК-16-100 с проставкой между ними для установки крепежного кронштейна, а также реле давления типа РД-4/25М-10.
Для выбора блока подготовки воздуха типа П-ФРКВ1(2)-Р с присоединительной резьбой G1/4; G3/8; G1/2 и G1, необходимо кликнуть на выбираемый элемент.
Блоки подготовки воздуха со встроенным манометром, с условным проходом (Ду) 6; 10; 16; 25 мм, предназначены для очистки сжатого воздуха от капельной влаги, минерального масла, твердых частиц, удаления конденсата и автоматического поддержания величины давления на заданном уровне в пневмоприводах приводах и системах промышленного оборудования.
Присоединение: резьбовые отверстия с трубной цилиндрической резьбой в корпусе фильтра.
Рабочая среда - сжатый воздух давлением от 0,1 до 1,0 МПа очищенном не грубее 12 класса по ГОСТ 17433, а для блока тонкой очистки - 10 класса по ГОСТ 17433.
Климатическое исполнение УХЛ и О категория размещения 4 по ГОСТ 15150.
Блок состоит из фильтра-влагоотделителя центробежного действия, выполненного в общем корпусе с пневмоклапанном редукционным и аварийного клапана, установленного на входе или выходе блока, а так же реле давления типа РД-4/25М-10 с проставками между ними для установки крепежного кронштейна.
По отдельному заказу возможно изготовление блока с автоматическим отводом конденсата (-АО) и абсолютной тонкостью фильтрации 5 мкм (-5).
В металлическом кожухе, защищающем прозрачный стакан фильтра, имеются прорези, которые позволяют следить за уровнем накопившихся загрязнений.
В нижней части стакана блока подготовки воздуха расположено полуавтоматическое устройство для сброса конденсата, которое открывается в ручную путем нажатия снизу вверх на штуцер устройства для удаления конденсата или полуавтоматически при отсутствии давления.
Настроечное устройство блока подготовки воздуха обеспечивает плавное изменение давления на выходе в пределах всего диапазона настройки.
Рукоятка регулятора давления легко фиксируется в нужном положении путем нажатия.
Блоки подготовки воздуха должны устанавливаться в местах, удобных для осмотра, обслуживания и контроля параметров, в вертикальном положении (отклонение от вертикали не более 5º), непосредственно на трубопроводе или с использованием кронштейна.
При монтаже блока подготовки воздуха стрелка на его корпусе должна совпадать с направлением движения воздушного потока.
Пример записи при заказе блока подготовки воздуха со встроенным манометром, с аварийным
клапаном на входе и реле давления, условным проходом 10 мм, присоединительной резьбой G3/8", климатическое исполнение УХЛ, категория размещения 4: БЛОК ПОДГОТОВКИ ВОЗДУХА П-ФРКВ1-Р-10 УХЛ 4
СТРУКТУРНАЯ СХЕМА ОБОЗНАЧЕНИЯ

УСЛОВНОЕ ГРАФИЧЕСКОЕ ОБОЗНАЧЕНИЕ

ТЕХНИЧЕСКАЯ ХАРАКТЕРИСТИКА
| Параметры | Нормы для типоразмеров | |||
| П-ФРКВ1(2)- | ||||
| с тонк. фильтрации 25 мкм | ||||
| -6 | -10 | -16 | -25 | |
| с тонк. фильтрации 5 мкм | ||||
| -6-5 | -10-5 | -16-5 | -25-5 | |
| 1.Условный проход, мм | 6 | 10 | 16 | 25 |
| 2.Присоединение пневмолиний, дюйм | G1/4 | G3/8 | G1/2 | G1 |
| 3.Номинальное давление, МПа | 1 | |||
| 4.Минимальное давление, МПа | 0,1 | |||
| 5.Расход воздуха при давлении на выходе 0,4 МПа, м3 /мин: | ||||
| - номинальный, не менее | 0,25 | 0,63 | 1,6 | 4,5 |
| - минимальная, не более | 0,16 | |||
| 6.Абсолютная тонкость фильтрации, мкм | 5; 25 | |||
| 7.Степень влагоотделения, %, не менее | 90 | |||
| 8.Диапазон настройки давления на выходе, МПа | 0,05-0,85 | |||
| 9.Номин. вместимость резервуара у фильтра, см3 , не менее | 30 | 100 | 200 | |
| 10.Снижение давления на выходе при изменении расхода от 0 до номинального при давлении на входе 1 МПа и настройке давления на выходе 0,4 МПа, МПа, не более | 0,03 | 0,04 | 0,05 | 0,08 |
| 11.Изменение давления на выходе при снижении давления на входе с 1 МПа до 0,5 МПа при давлении настройки 0,4 МПа и расходе воздуха, равном 5% от номинального, МПа, не более | 0,035 | |||
| 12.Превышение давления на выходе над давлением настройки, при котором открывается клапан сброса воздуха в атмосферу при давлении на входе 1 МПа и давлении настройки 0,4 МПа, МПа, не более | 0,08 | |||
| 13.Отвод конденсата | Полуавтоматический с возможностью ручного | |||
| 14.Диапазон настройки реле давления, МПа | 0,2 … 0,9 | |||
| 15.Зона нечувствительности реле давления, МПа, не более | 0,15 | |||
| 16.Масса, кг, не более | 1,38 | 2,24 | 2,12 | 3,88 |
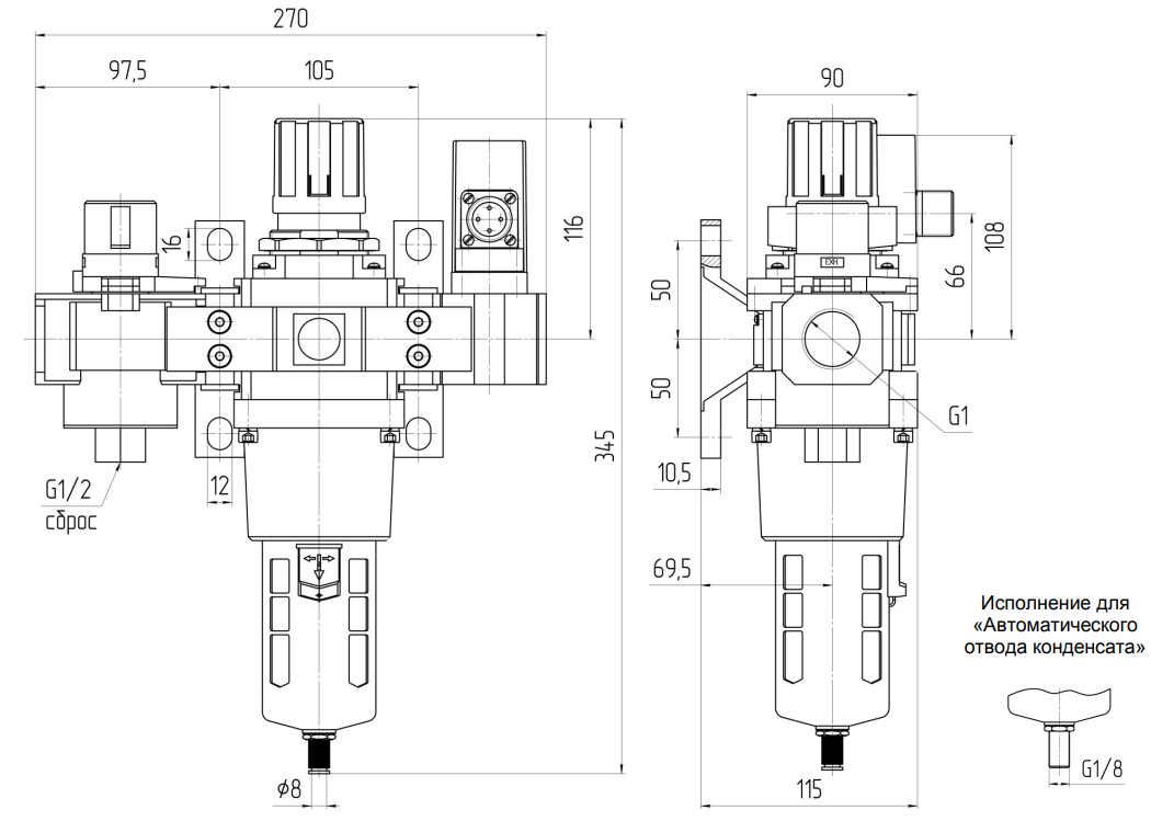
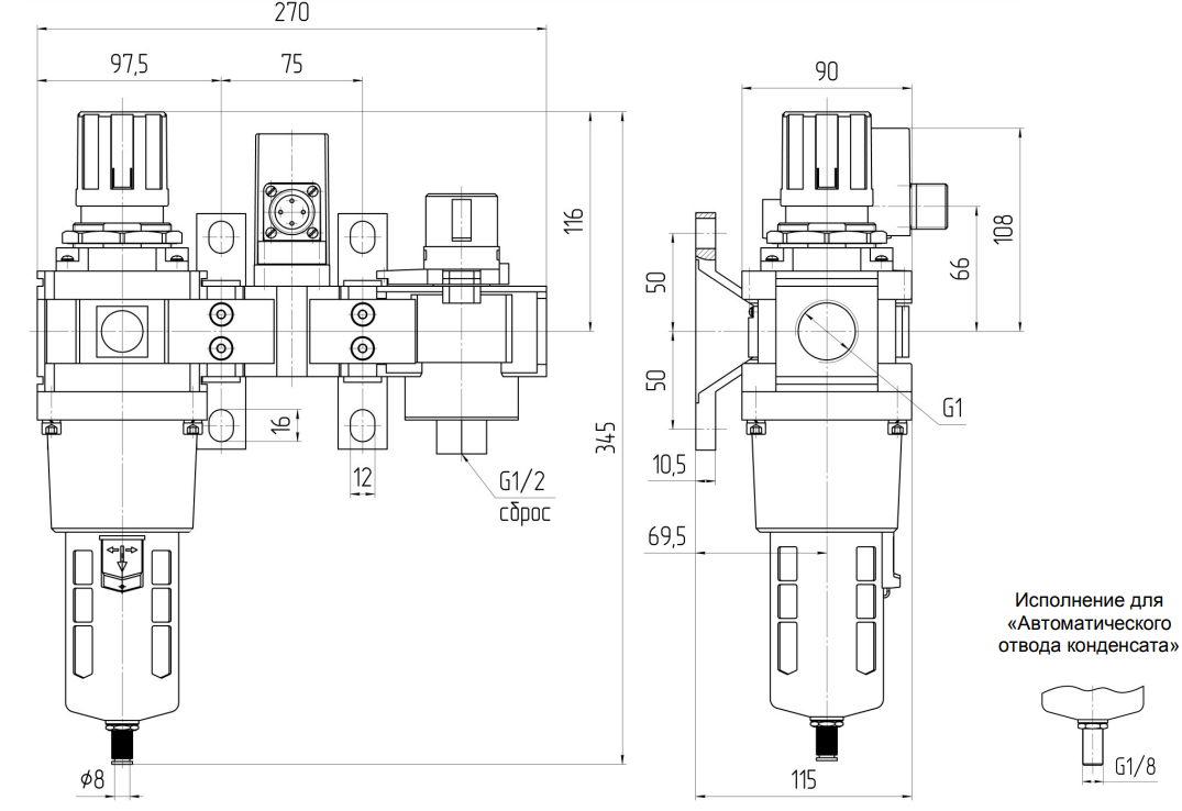
ГАБАРИТНЫЕ И ПРИСОЕДИНИТЕЛЬНЫЕ РАЗМЕРЫ
БЛОКИ ПОДГОТОВКИ ВОЗДУХА
П-ФРКВ1-Р-6; П-ФРКВ1-Р-10; П-ФРКВ1-Р-16; П-ФРКВ1-Р-6-5; П-ФРКВ1-Р-10-5;
П-ФРКВ1-Р-16-5; П-ФРКВ1-Р-6-АО; П-ФРКВ1-Р-10-АО; П-ФРКВ1-Р-16-АО;
П-ФРКВ1-Р-6-5-АО; П-ФРКВ1-Р-10-5-АО; П-ФРКВ1-Р-16-5-АО

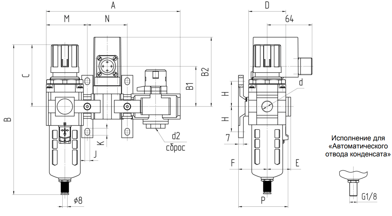
| Обозначение | Размеры, мм | |||||||||||||||
| d | d2 | A | B | B1 | B2 | C | D | E | F | H | J | K | M | P | N | |
| П-ФРКВ1-Р-6 | G1/4" | G1/4" | 174 | 218 | 53 | 95 | 89 | 53 | 32 | 41 | 35 | 7 | 11 | 58,5 | 70,5 | 64 |
| П-ФРКВ1-Р-6-5 | ||||||||||||||||
| П-ФРКВ1-Р-6-АО | ||||||||||||||||
| П-ФРКВ1-Р-6-5-АО | ||||||||||||||||
| П-ФРКВ1-Р-10 | G3/8" | G3/8" | 214 | 269,5 | 57 | 99,5 | 109 | 70 | 40 | 50 | 40 | 9 | 13 | 77 | 88 | 84 |
| П-ФРКВ1-Р-10-5 | ||||||||||||||||
| П-ФРКВ1-Р-10-АО | ||||||||||||||||
| П-ФРКВ1-Р-10-5-АО | ||||||||||||||||
| П-ФРКВ1-Р-16 | G1/2" | |||||||||||||||
| П-ФРКВ1-Р-16-5 | ||||||||||||||||
| П-ФРКВ1-Р-16-АО | ||||||||||||||||
| П-ФРКВ1-Р-16-5-АО | ||||||||||||||||
БЛОКИ ПОДГОТОВКИ ВОЗДУХА
П-ФРКВ1-Р-25; П-ФРКВ1-Р-25-5; П-ФРКВ1-Р-25-АО; П-ФРКВ1-Р-25-5-АО

БЛОКИ ПОДГОТОВКИ ВОЗДУХА
П-ФРКВ2-Р-6; П-ФРКВ2-Р-10; П-ФРКВ2-Р-16; П-ФРКВ2-Р-6-5; П-ФРКВ2-Р-10-5;
П-ФРКВ2-Р-16-5; П-ФРКВ2-Р-6-АО; П-ФРКВ2-Р-10-АО; П-ФРКВ2-Р-16-АО;
П-ФРКВ2-Р-6-5-АО; П-ФРКВ2-Р-10-5-АО; П-ФРКВ2-Р-16-5-АО

| Обозначение | Размеры, мм | |||||||||||||||
| d | d2 | A | B | B1 | B2 | C | D | E | F | H | J | K | M | P | N | |
| П-ФРКВ2-Р-6 | G1/4" | G1/4" | 174 | 218 | 53 | 95 | 89 | 53 | 32 | 41 | 35 | 7 | 11 | 58,5 | 70,5 | 57 |
| П-ФРКВ2-Р-6-5 | ||||||||||||||||
| П-ФРКВ2-Р-6-АО | ||||||||||||||||
| П-ФРКВ2-Р-6-5-АО | ||||||||||||||||
| П-ФРКВ2-Р-10 | G3/8" | G3/8" | 214 | 269,5 | 57 | 99,5 | 109 | 70 | 40 | 50 | 40 | 9 | 13 | 77 | 88 | 60 |
| П-ФРКВ2-Р-10-5 | ||||||||||||||||
| П-ФРКВ2-Р-10-АО | ||||||||||||||||
| П-ФРКВ2-Р-10-5-АО | ||||||||||||||||
| П-ФРКВ2-Р-16 | G1/2" | |||||||||||||||
| П-ФРКВ2-Р-16-5 | ||||||||||||||||
| П-ФРКВ2-Р-16-АО | ||||||||||||||||
| П-ФРКВ2-Р-16-5-АО | ||||||||||||||||
БЛОКИ ПОДГОТОВКИ ВОЗДУХА
П-ФРКВ2-Р-25; П-ФРКВ2-Р-25-5; П-ФРКВ2-Р-25-АО; П-ФРКВ2-Р-25-5-АО
