Состоит из блока подготовки воздуха типа П-ФРКВ и маслораспылителя типа П-М
Для выбора блока кондиционирования типа БКВ с присоединительной резьбой G1/8; G1/4; G3/8; G1/2 и G1, необходимо кликнуть на выбираемый элемент.
Блоки кондиционирования со встроенным манометром, с условным проходом (Ду) 4; 6; 10; 16; 25 мм предназначены для подготовки воздуха в пневмоприводах и системах промышленного оборудования различного назначения.
Присоединение: резьбовые отверстия.
Рабочая среда - сжатый воздух давлением от 0,1 до 1,0 МПа очищенном не грубее 12 класса по ГОСТ 17433.
Климатическое исполнение УХЛ и О категория размещения 4 по ГОСТ 15150.
Блок кондиционирования содержит блок подготовки воздуха типа П-ФРКВ и маслораспылитель типа П-М с проставкой между ними для установки крепежного кронштейна. Для достижения фильтрации 5 мкм, к блоку кондиционирования устанавливается дополнительный фильтр влагоотделитель типа П-ФВ-…-5.
Из пневмосети сжатый воздух поступает во входное отверстие «ВХ», блока подготовки воздуха типа П-ФРКВ, который состоит из фильтра влагоотделителя центробежного действия, выполненного в общем корпусе с пневмоклапаном редукционным.
Для настройки давления служит винт блока подготовки воздуха, при вращении которого устанавливается необходимое давление на выходе блока.
Рукоятка регулятора давления легко фиксируется в нужном положении путем нажатия.
Сброс конденсата осуществляется в ручную -
путем нажатия снизу вверх на штуцер устройства для удаления конденсата или полуавтоматически - при отсутствии давления на выходе блока.
По отдельному заказу возможно изготовление блоков с автоматическим отводом конденсата (-АО) и абсолютной тонкостью фильтрации 5 мкм (-5).
Дроссель маслораспылителя позволяет настраивать требуемую подачу смазочного материала в пределах заданного диапазона.
Маслораспылитель следует заправлять через резьбовое отверстие, закрываемое пробкой, минеральным маслом, вязкостью не более 35мм2 /с при температуре 50°С, очищенном не грубее 14 класса чистоты по ГОСТ 17216, при отсутствии давления.
В металлических кожухах, защищающих прозрачные стаканы блока кондиционирования, имеются прорези, которые позволяют следить за уровнем накопившихся загрязнений или смазочного материала. Уровень смазочного материала должен контролироваться визуально и находиться между красными рисками.
Блоки кондиционирования должны устанавливаться в местах, удобных для осмотра, обслуживания и контроля параметров, в вертикальном положении (отклонение от вертикали не более 5º), непосредственно на трубопроводе или с использованием кронштейна. При монтаже блоков кондиционирования, стрелка на их корпусе должна совпадать с направлением движения воздушного потока.
Пример записи при заказе блока кондиционирования со встроенным манометром, с условным проходом 10 мм, присоединительной резьбой G 3/8", климатического исполнения УХЛ, категории размещения 4: БЛОК КОНДИЦИОНИРОВАНИЯ БКВ-10 УХЛ 4
СТРУКТУРНАЯ СХЕМА ОБОЗНАЧЕНИЯ

УСЛОВНОЕ ГРАФИЧЕСКОЕ ОБОЗНАЧЕНИЕ

ТЕХНИЧЕСКАЯ ХАРАКТЕРИСТИКА
| Параметры | Нормы для типоразмеров | ||||
| БКВ- | |||||
| с тонк. фильтрации 25 мкм | |||||
| -4 | -6 | -10 | -16 | -25 | |
| с тонк. фильтрации 5 мкм | |||||
| - | -6-5 | -10-5 | -16-5 | -25-5 | |
| 1.Условный проход, мм | 4 | 6 | 10 | 16 | 25 |
| 2.Присоединение пневмолиний, дюйм | G1/8 | G1/4 | G3/8 | G1/2 | G1 |
| 3.Номинальное давление, МПа | 1,0 | ||||
| 4.Минимальное давление, МПа | 0,1 | ||||
| 5.Расход воздуха при давлении на выходе 0,5 МПа, м3 /мин: | |||||
| - номинальный, не менее | 0,1 | 0,2 | 0,55 | 1,0 | 4,0 |
| - минимальная, не более | 0,16 | ||||
| 6.Абсолютная тонкость фильтрации, мкм | 5; 25 | ||||
| 7.Степень влагоотделения, %, не менее | 90 | ||||
| 8.Диапазон настройки давления на выходе, Мпа | 0,05-0,85 | ||||
| 9.Вместим. резервуара для конденсата, см3 , не менее | 15 | 20 | 45 | 130 | |
| 10.Снижение давления на выходе при изменении расхода от 0 до номинального при давлении на входе 1 МПа и настройке давления на выходе 0,4 МПа, МПа, не более | 0,03 | 0,04 | 0,05 | 0,08 | |
| 11.Изменение давления на выходе при снижении давления на входе с 1 МПа до 0,5 МПа при давлении настройки 0,4 МПа и расходе воздуха, равном 5% от номинального, МПа, не более | 0,035 | ||||
| 12.Превышение давления на выходе над давлением настройки, при котором открывается клапан сброса воздуха в атмосферу при давлении на входе 1 МПа и давлении настройки 0,4 МПа, МПа, не более | 0,08 | ||||
| 13.Отвод конденсата | ручной | полуавтоматический с возможностью ручного | |||
| 14.Подача масла кап/мин.: | |||||
| - при минимальном расходе воздуха, не менее | 2-3 | 2 | |||
| - при максимальном расходе воздуха: | |||||
| - минимальная, не более | 0,15 | 0,25 | 0,5 | 2,0 | |
| - максимальная, не менее | 8 | 10 | 20 | 50 | |
| 15.Полезная вместим. резервуара для масла, см3 , не менее | 25 | 50 | 130 | ||
| 16.Масса, кг, не более (для фильтрации 25 мкм) | 0,65 | 0,96 | 1,88 | 1,84 | 3,25 |
| 17.Масса, кг, не более (для фильтрации 5 мкм) | - | 1,37 | 2,57 | 2,52 | 4,61 |
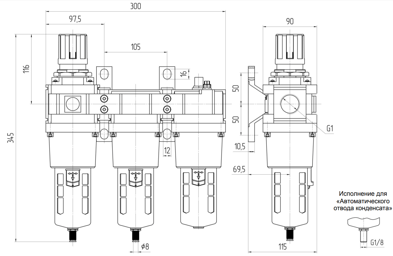
ГАБАРИТНЫЕ И ПРИСОЕДИНИТЕЛЬНЫЕ РАЗМЕРЫ
БЛОКИ КОНДИЦИОНИРОВАНИЯ
БКВ-4; БКВ-6; БКВ-10; БКВ-16; БКВ-6-АО; БКВ-10-АО; БКВ-16-АО

| Обозначение | Размеры, мм | |||||||||||||
| d | d1 | A | B | C | D | E | F | H | h | J | K | M | P | |
| БКВ-4 | G1/8 | 6 | 91 | 180 | 75 | 40 | 30 | 32 | 24 | 5 | 5,5 | 8 | 45,5 | 51 |
| БКВ-6 | G1/4 | 8 | 117 | 218 | 89 | 53 | 32 | 41 | 35 | 7 | 7 | 11 | 58,5 | 70,5 |
| БКВ-6-АО | G1/8 | |||||||||||||
| БКВ-10 | G3/8 | 8 | 154 | 269,5 | 109 | 70 | 40 | 50 | 40 | 9 | 13 | 7 | 88 | |
| БКВ-10-АО | G1/8 | |||||||||||||
| БКВ-16 | G1/2 | 8 | ||||||||||||
| БКВ-16-АО | G1/8 | |||||||||||||
БЛОКИ КОНДИЦИОНИРОВАНИЯ
БКВ-25; БКВ-25-АО

БЛОКИ КОНДИЦИОНИРОВАНИЯ
БКВ-6-5; БКВ-10-5; БКВ-16-5; БКВ-6-5-АО; БКВ-10-5-АО; БКВ-16-5-АО

| Обозначение | Размеры, мм | ||||||||||||
| d | A | B | C | D | E | F | H | J | K | M | P | N | |
| БКВ-6-5 | G1/4 | 181 | 218 | 89 | 53 | 32 | 41 | 35 | 7 | 11 | 58,5 | 70,5 | 64 |
| БКВ-6-5-АО | |||||||||||||
| БКВ-10-5 | G3/8 | 238 | 269,5 | 109 | 70 | 40 | 50 | 40 | 9 | 13 | 77 | 88 | 84 |
| БКВ-10-5-АО | |||||||||||||
| БКВ-16-5 | G1/2 | ||||||||||||
| БКВ-16-5-АО | |||||||||||||
БЛОКИ КОНДИЦИОНИРОВАНИЯ
БКВ-25-5; БКВ-25-5-АО
