Состоит из фильтра-влагоотделителя типа П-ФВ, пневмоклапана редукционного типа П-РКВ, маслораспылителя типа П-М и аварийного клапана типа БК-16-100 с проставкой между ними для установки крепежного кронштейна.
Для выбора блока кондиционирования типа БКВ1(2)-М с присоединительной резьбой G1/4; G3/8; G1/2 и G1, необходимо кликнуть на выбираемый элемент.
Блоки кондиционирования со встроенным манометром, с условным проходом (Ду) 6; 10; 16; 25 мм предназначены для подготовки воздуха в пневмоприводах и системах промышленного оборудования различного назначения.
Присоединение: резьбовые отверстия.
Рабочая среда - сжатый воздух давлением от 0,1 до 1,0 МПа очищенном не грубее 12 класса по ГОСТ 17433.
Климатическое исполнение УХЛ и О категория размещения 4 по ГОСТ 15150.
Блок кондиционирования содержит фильтрвлагоотделитель типа П-ФВ, пневмоклапан редукционный типа П-РК и маслораспылитель типа П-М, а так же аварийный клапан типа БК-…-100, который установлен на входе или выходе блока с проставками между ними для крепежных кронштейнов. Для достижения фильтрации 5 мкм, к блоку кондиционирования устанавливается дополнительный фильтрвлагоотделитель типа П-ФВ-…-5.
Из пневмосети сжатый воздух поступает во входное отверстие «ВХ» фильтра.
Для настройки давления служит винт пневмоклапана, при вращении которого устанавливается необходимое давление на выходе блока. Рукоятка винта фиксируется в нужном положении путем нажатия.
Сброс конденсата осуществляется в ручную - путем нажатия снизу вверх на штуцер устройства для удаления конденсата или полуавтоматически при отсутствии давления на выходе блока.
По отдельному заказу возможно изготовление блоков с автоматическим отводом конденсата (-АО) и абсолютной тонкостью фильтрации 5 мкм (-5).
Дроссель маслораспылителя позволяет настраивать требуемую подачу смазочного материала в пределах заданного диапазона.
Маслораспылитель следует заправлять через резьбовое отверстие, закрываемое пробкой, минеральным маслом, вязкостью не более 35мм2/с при температуре 50°С, очищенном не грубее 14 класса чистоты по ГОСТ 17216, при отсутствии давления.
Блоки должны устанавливаться в местах, удобных для осмотра, обслуживания и контроля параметров, в вертикальном положении (отклонение от вертикали не более 5º), непосредственно на трубопроводе или с использованием кронштейна.
При монтаже блоков, стрелка на их корпусе должна совпадать с направлением движения воздушного потока.
Уровень масла контролируется визуально и находится между рисками.
Пример записи при заказе блока кондиционирования со встроенным манометром, аварийным клапаном на входе, условным проходом 10 мм, присоединительной резьбой G 3/8", климатического исполнения УХЛ, категории размещения 4: БЛОК КОНДИЦИОНИРОВАНИЯ БКВ1-М-10 УХЛ 4
СТРУКТУРНАЯ СХЕМА ОБОЗНАЧЕНИЯ

УСЛОВНОЕ ГРАФИЧЕСКОЕ ОБОЗНАЧЕНИЕ

ТЕХНИЧЕСКАЯ ХАРАКТЕРИСТИКА
| Параметры | Нормы для типоразмеров | |||
| БКВ1(2)-М | ||||
| с тонк. фильтрации 25 мкм | ||||
| -6 | -10 | -16 | -25 | |
| с тонк. фильтрации 5 мкм | ||||
| -6-5 | -10-5 | -16-5 | -25-5 | |
| 1.Условный проход, мм | 6 | 10 | 16 | 25 |
| 2.Присоединение пневмолиний, дюйм | G1/4 | G3/8 | G1/2 | G1 |
| 3.Номинальное давление, МПа | 1 | |||
| 4.Минимальное давление, МПа | 0,1 | |||
| 5.Расход воздуха при давлении на выходе 0,4 МПа, м3 /мин: | ||||
| - номинальный, не менее | 2 | 4 | 5 | |
| - минимальная, не более | 0,16 | |||
| 6.Абсолютная тонкость фильтрации, мкм | 25 | |||
| 7.Степень влагоотделения, %, не менее | 90 | |||
| 8.Диапазон настройки давления на выходе, МПа | 0,05-0,85 | |||
| 9.Номин. вместимость резервуара у фильтра, см3 , не менее | 20 | 45 | 130 | |
| 10.Снижение давления на выходе при изменении расхода от 0 до номинального при давлении на входе 1 МПа и настройке давления на выходе 0,4 МПа, МПа, не более | 0,03 | 0,04 | 0,05 | 0,08 |
| 11.Изменение давления на выходе при снижении давления на входе с 1 МПа до 0,5 МПа при давлении настройки 0,4 МПа и расходе воздуха, равном 5% от номинального, МПа, не более | 0,035 | |||
| 12.Превышение давления на выходе над давлением настройки, при котором открывается клапан сброса воздуха в атмосферу при давлении на входе 1 МПа и давлении настройки 0,4 МПа, МПа, не более | 0,08 | |||
| 13.Отвод конденсата | Полуавтоматический с возможностью ручного | |||
| 14.Подача масла кап/мин: | ||||
| - при минимальном расходе воздуха, не менее | 2 | |||
| - при максимальном расходе воздуха: | ||||
| - минимальная, не более | 0,25 | 0,5 | 2 | |
| - максимальная, не менее | 10 | 20 | 50 | |
| 15.Вместимость резервуара для масла,см3 , не менее | 50 | 130 | ||
| 16.Масса, кг, не более (для фильтрации 25 мкм) | 1,7 | 2,82 | 2,8 | 5,26 |
| 17.Масса, кг, не более (для фильтрации 5 мкм) | 2,13 | 3,51 | 3,47 | 6,61 |
ГАБАРИТНЫЕ И ПРИСОЕДИНИТЕЛЬНЫЕ РАЗМЕРЫ
БЛОКИ КОНДИЦИОНИРОВАНИЯ
БКВ1-М-6; БКВ1-М-10; БКВ1-М-16; БКВ1-М-6-АО; БКВ1-М-10-АО; БКВ1-М-16-АО

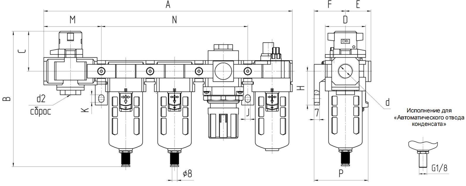
| Обозначение | Размеры, мм | |||||||||||||
| d | d2 | A | B | C | D | E | F | H | J | K | M | P | N | |
| БКВ1-М-6 | G1/4 | G1/4 | 245 | 164 | 38 | 53 | 32 | 41 | 35 | 7 | 11 | 58,5 | 70,5 | 128 |
| БКВ1-М-6-АО | ||||||||||||||
| БКВ1-М-10 | G3/8 | G3/8 | 322 | 199 | 41 | 70 | 40 | 50 | 40 | 9 | 13 | 77 | 88 | 168 |
| БКВ1-М-10-АО | ||||||||||||||
| БКВ1-М-16 | G1/2 | |||||||||||||
| БКВ1-М-16-АО | ||||||||||||||
БЛОКИ КОНДИЦИОНИРОВАНИЯ БКВ1-М-25; БКВ1-М-25-АО

БЛОКИ КОНДИЦИОНИРОВАНИЯ
БКВ1-М-6-5; БКВ1-М-10-5; БКВ1-М-16-5; БКВ1-М-6-5-АО; БКВ1-М-10-5-АО; БКВ1-М-16-5-АО

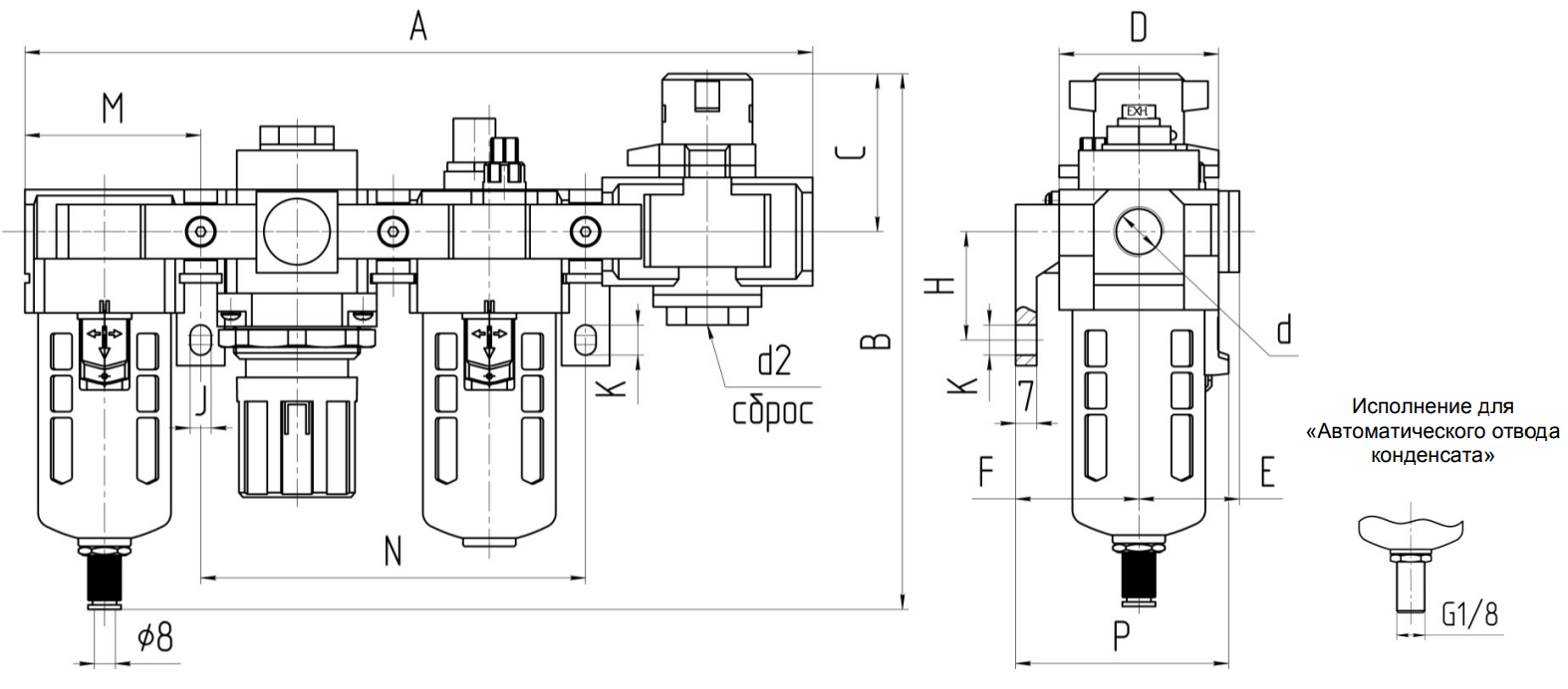
| Обозначение | Размеры, мм | |||||||||||||
| d | d2 | A | B | C | D | E | F | H | J | K | M | P | N | |
| БКВ1-М-6-5 | G1/4 | G1/4 | 309 | 164 | 38 | 53 | 32 | 41 | 35 | 7 | 11 | 58,5 | 70,5 | 192 |
| БКВ1-М-6-5-АО | ||||||||||||||
| БКВ1-М-10-5 | G3/8 | G3/8 | 406 | 199 | 41 | 70 | 40 | 50 | 40 | 9 | 13 | 77 | 88 | 252 |
| БКВ1-М-10-5-АО | ||||||||||||||
| БКВ1-М-16-5 | G1/2 | |||||||||||||
| БКВ1-М-16-5-АО | ||||||||||||||
БЛОКИ КОНДИЦИОНИРОВАНИЯ БКВ1-М-25-5; БКВ1-М-25-5-АО

БЛОКИ КОНДИЦИОНИРОВАНИЯ
БКВ2-М-6; БКВ2-М-10; БКВ2-М-16; БКВ2-М-6-АО; БКВ2-М-10-АО; БКВ2-М-16-АО

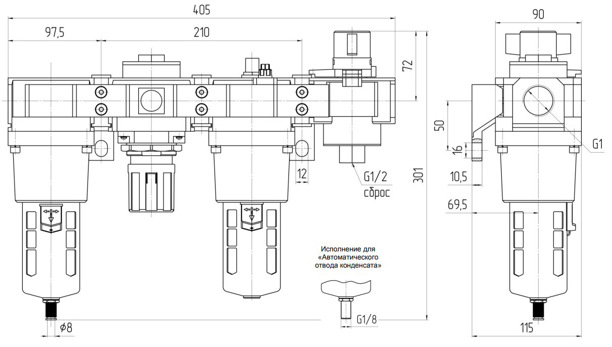
| Обозначение | Размеры, мм | |||||||||||||
| d | d2 | A | B | C | D | E | F | H | J | K | M | P | N | |
| БКВ2-М-6 | G1/4 | G1/4 | 245 | 164 | 38 | 53 | 32 | 41 | 35 | 7 | 11 | 58,5 | 70,5 | 128 |
| БКВ2-М-6-АО | ||||||||||||||
| БКВ2-М-10 | G3/8 | G3/8 | 322 | 199 | 41 | 70 | 40 | 50 | 40 | 9 | 13 | 77 | 88 | 168 |
| БКВ2-М-10-АО | ||||||||||||||
| БКВ2-М-16 | G1/2 | |||||||||||||
| БКВ2-М-16-АО | ||||||||||||||
БЛОКИ КОНДИЦИОНИРОВАНИЯ БКВ2-М-25; БКВ2-М-25-АО

БЛОКИ КОНДИЦИОНИРОВАНИЯ
БКВ2-М-6-5; БКВ2-М-10-5; БКВ2-М-16-5; БКВ2-М-6-5-АО; БКВ2-М-10-5-АО; БКВ2-М-16-5-АО

| Обозначение | Размеры, мм | |||||||||||||
| d | d2 | A | B | C | D | E | F | H | J | K | M | P | N | |
| БКВ2-М-6-5 | G1/4 | G1/4 | 309 | 164 | 38 | 53 | 32 | 41 | 35 | 7 | 11 | 58,5 | 70,5 | 192 |
| БКВ2-М-6-5-АО | ||||||||||||||
| БКВ2-М-10-5 | G3/8 | G3/8 | 406 | 199 | 41 | 70 | 40 | 50 | 40 | 9 | 13 | 77 | 88 | 252 |
| БКВ2-М-10-5-АО | ||||||||||||||
| БКВ2-М-16-5 | G1/2 | |||||||||||||
| БКВ2-М-16-5-АО | ||||||||||||||
БЛОКИ КОНДИЦИОНИРОВАНИЯ БКВ2-М-25-5; БКВ2-М-25-5-АО
