присоединение: G1/8"; G1/4"; G3/8"; G1/2"; G1";
условный проход (Ду): 4; 6; 10; 16; 25 мм.
Блоки подготовки воздуха со встроенным манометром с условным проходом (Ду) 4; 6; 10; 16; 25 мм, предназначены для очистки сжатого воздуха от капельной влаги, минерального масла, твердых частиц, удаления конденсата и автоматического поддержания величины давления на заданном уровне в пневмоприводах и системах промышленного оборудования.
Присоединение: резьбовые отверстия в корпусеблока.
Рабочая среда - сжатый воздух давлениемот 0,1 до 1,0 МПа очищенном не грубее 12 класса по ГОСТ 17433, а для блока тонкой очистки - 10 класса по ГОСТ 17433.
Климатическое исполнение УХЛ и О категория размещения 4 по ГОСТ 15150.
Блок состоит из фильтра-влагоотделителя центробежного действия, выполненного в общем корпусе с пневмоклапанном редукционным.
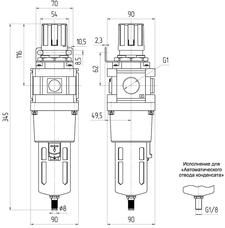
По отдельному заказу возможно изготовление блока с автоматическим отводом конденсата (-АО) и абсолютной тонкостью фильтрации 5 мкм (-5).
К корпусу с низу крепится резервуар для сбора конденсата с другими деталями фильтра - влагоотделителя типа П-ФВ.
К корпусу с верху крепится стакан, в которомразмещены детали пневмоклапана редукционноготипа П-РК с настроечным устройством.
Сжатый воздух, подведенный к входному отверстию «ВХ» в корпусе, попадает в крыльчатку фильтра-влагоотделителя и получает нисходящее вращательное движение, затем через металлокерамический фильтрующий элемент поступает в редукционный клапан и проходит к выходному отв. блока.
В металлическом кожухе, защищающем прозрачный стакан фильтра, имеются прорези, которые позволяют следить за уровнем накопившихся загрязнений.
В нижней части стакана блока подготовки воздуха расположено полуавтоматическое устройство для сброса конденсата, которое открывается в ручную путем нажатия снизу вверх на штуцер устройства для удаления конденсата или полуавтоматически при отсутствии давления.
Настроечное устройство блока подготовки воздуха обеспечивает плавное изменение давления на выходе в пределах всего диапазона настройки.
Рукоятка регулятора давления легко фиксируется в нужном положении путем нажатия.
Блоки подготовки воздуха должны устанавливаться в местах, удобных для осмотра, обслуживания и контроля параметров, в вертикальном положении (отклонение от вертикали не более 5º), непосредственно на трубопроводе или с использованиемкронштейна закрепленного на редукционном клапане.
При монтаже блока подготовки воздуха стрелка на его корпусе должна совпадать с направлением движения воздушного потока.
Пример записи при заказе блока подготовки воздуха со встроенным манометром, с условным проходом 10 мм, присоединительной резьбой G3/8", климатического исполнения УХЛ, категории размещения 4: БЛОК ПОДГОТОВКИ ВОЗДУХА П-ФРКВ-10УХЛ 4
СТРУКТУРНАЯ СХЕМА ОБОЗНАЧЕНИЯ

УСЛОВНОЕ ГРАФИЧЕСКОЕ ОБОЗНАЧЕНИЕ

ТЕХНИЧЕСКАЯ ХАРАКТЕРИСТИКА
| Параметры | Нормы для типоразмеров | ||||
| П-ФРКВ | |||||
| с тонк. фильтрафии 25 мкм | |||||
| -4 | -6 | -10 | -16 | -25 | |
| с тонк. фильтрации 5 мкм | |||||
| - | -11 | -15 | -21 | -30 | |
| 1.Условный проход, мм | 4 | 6 | 10 | 16 | 25 |
| 2.Присоединение пневмолиний, дюйм | G1/8 | G1/4 | G3/8 | G1/2 | G1 |
| 3.Номинальное давление, МПа | 1 | ||||
| 4.Минимальное давление, МПа | 0,1 | ||||
| 5.Расход воздуха при дав. на выходе 0,5 МПа, м3 /мин: | |||||
| - номинальный, не менее | 0,15 | 0,25 | 0,63 | 1,6 | 4,5 |
| - минимальная, не более | 0,16 | ||||
| 6.Абсолютная тонкость фильтрации, мкм | 5; 25 | ||||
| 7.Степень влагоотделения, %, не менее | 90 | ||||
| 8.Диапазон настройки давлен. на выходе, МПа | 0,05-0,85 | ||||
| 9.Вместим.резервуара для конденсата, см3 , не менее | 15 | 20 | 45 | 13 | |
| 10.Снижение давления на выходе при изменении расхода от 0 до номинального при давлении на входе 1 МПа и настройке давления на выходе 0,4 МПа, МПа, не более | 0,03 | 0,04 | 0,05 | 0,08 | |
| 11.Изменение давления на выходе при снижении давления на входе с 1 МПа до 0,5 МПа при давлении настройки 0,4 МПа и расходе воздуха, равном 5% от номинального, МПа, не более | 0,035 | ||||
| 12.Превышение давления на выходе над давлением настройки, при котором открывается клапан сброса воздуха в атмосферном при давлении на входе 1 МПа и давлении настройки 0,4 МПа, МПа, не более | 0,08 | ||||
| 13.Отвод конденсата* | ручной | полуавтоматический с возможностью ручного | |||
| 14.Масса, кг, не более | 0,32 | 0,59 | 1,27 | 1,26 | 1,91 |
ГАБАРИТНЫЕ И ПРИСОЕДИНИТЕЛЬНЫЕ РАЗМЕРЫ
БЛОКИ ПОДГОТОВКИ ВОЗДУХА
П-ФРКВ-4; П-ФРКВ-6; П-ФРКВ-10; П-ФРКВ-16; П-ФРКВ-6-5; П-ФРКВ-10-5;
П-ФРКВ-16-5; П-ФРКВ-6-АО; П-ФРКВ-10-АО; П-ФРКВ-16-АО;
П-ФРКВ-6-5-АО; П-ФРКВ-10-5-АО; П-ФРКВ-16-5-АО

| Обозначение | Размеры, мм | |||||||||||||
| d | d1 | A | B | C | D | E | F | G | H | J | K | L | Р | |
| П-ФРКВ-4 | G1/8" | 6 | 40 | 180 | 75 | 47 | 30 | 32 | 34 | 43,5 | 5,4 | 15,4 | 55 | 40 |
| П-ФРКВ-6 | G1/4" | 8 | 53 | 218 | 89 | 53 | 32 | 38 | 40 | 46 | 6,5 | 8 | 53 | 56 |
| П-ФРКВ-6-5 | ||||||||||||||
| П-ФРКВ-6-АО | G1/8" | |||||||||||||
| П-ФРКВ-6-5-АО | ||||||||||||||
| П-ФРКВ-10 | G3/8" | 8 | 70 | 270 | 109 | 70 | 40 | 49 | 54 | 53,5 | 8,5 | 10,5 | 70 | 73 |
| П-ФРКВ-10-5 | ||||||||||||||
| П-ФРКВ-10-АО | G1/8" | |||||||||||||
| П-ФРКВ-10-5-АО | ||||||||||||||
| П-ФРКВ-16 | G1/2" | 8 | ||||||||||||
| П-ФРКВ-16-5 | ||||||||||||||
| П-ФРКВ-16-АО | G1/8" | |||||||||||||
| П-ФРКВ-16-5-АО | ||||||||||||||
ГАБАРИТНЫЕ И ПРИСОЕДИНИТЕЛЬНЫЕ РАЗМЕРЫ
БЛОКИ ПОДГОТОВКИ ВОЗДУХА
П-ФРКВ-25; П-ФРКВ-25-5; П-ФРКВ-25-АО; П-ФРКВ-25-5-АО
