Состоит из фильтра-влагоотделителя типа П-ФВ, пневмоклапана редукционного типа П-РКВ и маслораспылителя типа П-М
Для выбора блока кондиционирования типа БКВ-М с присоединительной резьбой G1/8; G1/4; G3/8; G1/2 и G1, необходимо кликнуть на выбираемый элемент.
Блоки кондиционирования со встроенным манометром, с условным проходом (Ду) 6; 10; 16; 25 мм предназначены для подготовки воздуха в пневмоприводах и системах промышленного оборудования различного назначения.
Присоединение: резьбовые отверстия.
Рабочая среда - сжатый воздух давлением от 0,1 до 1,0 МПа очищенном не грубее 12 класса по ГОСТ 17433.
Климатическое исполнение УХЛ и О категория размещения 4 по ГОСТ 15150.
Блок кондиционирования содержит фильтрвлагоотделитель типа П-ФВ, пневмоклапан редукционный типа П-РКВ и маслораспылитель типа П-М с проставками между ними для установки крепежных кронштейнов. Для достижения фильтрации 5 мкм, к блоку кондиционирования устанавливается дополнительный фильтр-влагоотделитель типа П-ФВ-…-5.
Из пневмосети сжатый воздух поступает во входное отверстие «ВХ» фильтра.
Для настройки давления служит винт пневмоклапана, при вращении которого устанавливается необходимое давление на выходе блока. Рукоятка винта фиксируется в нужном положении путем нажатия.
Сброс конденсата осуществляется в ручную - путем нажатия снизу вверх на штуцер устройства для удаления конденсата или полуавтоматически при отсутствии давления на выходе блока.
По отдельному заказу возможно изготовление блоков с автоматическим отводом конденсата (-АО) и абсолютной тонкостью фильтрации 5 мкм (-5).
Дроссель маслораспылителя позволяет настраивать требуемую подачу смазочного материала в пределах заданного диапазона.
Маслораспылитель следует заправлять через резьбовое отверстие, закрываемое пробкой, минеральным маслом, вязкостью не более 35мм2 /с при температуре 50°С, очищенном не грубее 14 класса чистоты по ГОСТ 17216, при отсутствии давления.
Блоки должны устанавливаться в местах, удобных для осмотра, обслуживания и контроля параметров, в вертикальном положении (отклонение от вертикали не более 5º), непосредственно на трубопроводе или с использованием кронштейна.
При монтаже блоков, стрелка на их корпусе должна совпадать с направлением движения воздушного потока.
Уровень масла контролируется визуально и находится между рисками.
Пример записи при заказе блока кондиционирования со встроенным манометром, с условным проходом 10 мм, присоединительной резьбой G 3/8", климатического исполнения УХЛ, категории размещения 4: БЛОК КОНДИЦИОНИРОВАНИЯ БКВ-М-10 УХЛ 4
СТРУКТУРНАЯ СХЕМА ОБОЗНАЧЕНИЯ

УСЛОВНОЕ ГРАФИЧЕСКОЕ ОБОЗНАЧЕНИЕ

ТЕХНИЧЕСКАЯ ХАРАКТЕРИСТИКА
| Параметры | Нормы для типоразмеров | ||||
| БКВ-М | |||||
| с тонкостью фильтрации 25 мкм | |||||
| -4 | -6 | -10 | -16 | -25 | |
| с тонкостью фильтрации 5 мкм | |||||
| - | -6-5 | -10-5 | -16-5 | -25-5 | |
| 1.Условный проход, мм | 4 | 6 | 10 | 16 | 25 |
| 2.Присоединение пневмолиний, дюйм | G1/8 | G1/4 | G3/8 | G1/2 | G1 |
| 3.Номинальное давление, МПа | 1 | ||||
| 4.Минимальное давление, МПа | 0,1 | ||||
| 5.Расход воздуха при давл. на выходе 0,5 МПа, м3 /мин: | |||||
| - номинальный, не менее | 0,5 | 2 | 4 | 5 | |
| - минимальная, не более | 0,16 | ||||
| 6.Абсолютная тонкость фильтрации, мкм | 25 | ||||
| 7.Степень влагоотделения, %, не менее | 90 | ||||
| 8.Диапазон настройки давления на выходе, МПа | 0,05-0,85 | ||||
| 9.Вместимость резервуара для конденсата, см3 , не менее | 15 | 20 | 45 | 130 | |
| 10.Снижение давления на выходе при изменении расхода от 0 до номинального при давлении на входе 1 МПа и настройке давления на выходе 0,4 МПа, МПа, не более | 0,03 | 0,04 | 0,05 | 0,08 | |
| 11.Изменение давления на выходе при снижении давления на входе с 1 МПа до 0,5 МПа при давлении настройки 0,4 МПа и расходе воздуха, равном 5% от номинального, МПа, не более | 0,035 | ||||
| 12.Превышение давления на выходе над давлением настройки, при котором открывается клапан сброса воздуха в атмосферу при давлении на входе 1 МПа и давлении настройки 0,4 МПа, МПа, не более | 0,08 | ||||
| 13.Отвод конденсата | ручной | полуавтоматический с возможностью ручного | |||
| 14.Подача масла кап/мин.: | |||||
| -при минимальном расходе воздуха, не менее | 2-3 | 2 | |||
| - при максимальном расходе воздуха: | |||||
| - минимальная, не более | 0,15 | 0,25 | 0,50 | 2 | |
| - максимальная, не менее | 8 | 10 | 20 | 50 | |
| 15.Вместимость резервуара для масла,см3 , не менее | 25 | 50 | 130 | ||
| 16.Масса, кг, не более (для фильтрации 25 мкм) | 0,89 | 1,31 | 2,31 | 2,3 | 4,04 |
| 17.Масса, кг, не более (для фильтрации 5 мкм) | - | 1,74 | 3 | 2,97 | 5,39 |
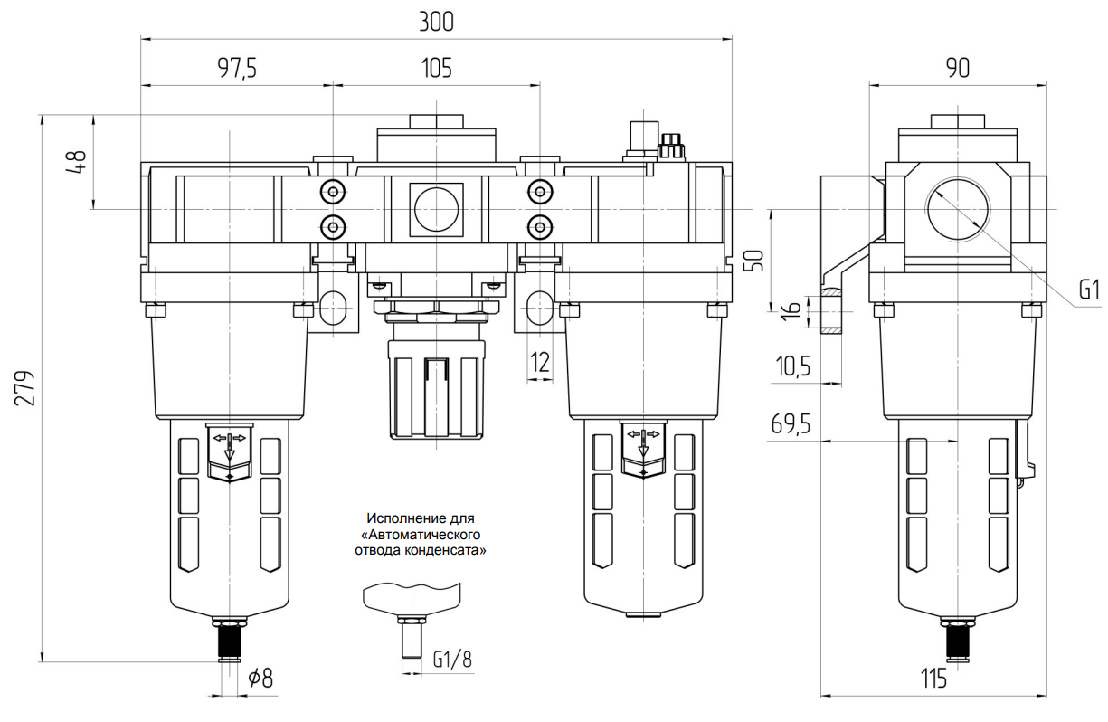
ГАБАРИТНЫЕ И ПРИСОЕДИНИТЕЛЬНЫЕ РАЗМЕРЫ
БЛОКИ КОНДИЦИОНИРОВАНИЯ
БКВ-М-4; БКВ-М-6; БКВ-М-10; БКВ-М-16; БКВ-М-6-АО; БКВ-М-10-АО; БКВ-М-16-АО

| Обозначение | Размеры, мм | ||||||||||||||
| d | d1 | A | B | C | D | E | F | H | h | J | K | M | P | N | |
| БКВ-М-4 | G1/8 | 6 | 140 | 141 | 38 | 40 | 30 | 30 | 24 | 5 | 5,5 | 8 | 45,5 | 50 | 50 |
| БКВ-М-6 | G1/4 | 8 | 181 | 164 | 53 | 32 | 41 | 35 | 7 | 7 | 11 | 58,5 | 70,5 | 64 | |
| БКВ-М-6-АО | G1/8 | ||||||||||||||
| БКВ-М-10 | G3/8 | 8 | 238 | 199 | 41 | 70 | 40 | 50 | 40 | 9 | 13 | 77 | 88 | 84 | |
| БКВ-М-10-АО | G1/8 | ||||||||||||||
| БКВ-М-16 | G1/2 | 8 | |||||||||||||
| БКВ-М-16-АО | G1/8 | ||||||||||||||
БЛОКИ КОНДИЦИОНИРОВАНИЯ БКВ-М-25; БКВ-М-25-АО

БЛОКИ КОНДИЦИОНИРОВАНИЯ
БКВ-М-6-5; БКВ-М-10-5; БКВ-М-16-5; БКВ-М-6-5-АО; БКВ-М-10-5-АО; БКВ-М-16-5-АО

| Обозначение | Размеры, мм | ||||||||||||
| d | A | B | C | D | E | F | H | J | K | M | P | N | |
| БКВ-М-6-5 | G1/4 | 245 | 164 | 38 | 53 | 32 | 41 | 35 | 7 | 11 | 58,5 | 70,5 | 128 |
| БКВ-М-6-5-АО | |||||||||||||
| БКВ-М-10-5 | G3/8 | 322 | 199 | 41 | 70 | 40 | 50 | 40 | 9 | 13 | 77 | 88 | 168 |
| БКВ-М-10-5-АО | |||||||||||||
| БКВ-М-16-5 | G1/2 | ||||||||||||
| БКВ-М-16-5-АО | |||||||||||||
БЛОКИ КОНДИЦИОНИРОВАНИЯ БКВ-М-25-5; БКВ-М-25-5-АО
