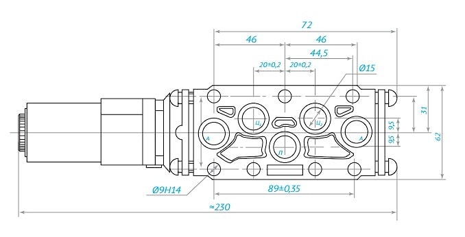
 Клапан электропневматический КЭП-16 предназначен для изменения направления потока сжатого воздуха в пневмоцилиндрах сварочного оборудования.
   Клапан электропневматический КЭП-16 предназначен для изменения направления потока сжатого воздуха в пневмоцилиндрах сварочного оборудования.| Условный проход, мм | 16 | 
| Номинальное давление, МПа | 0,63 | 
| Минимальное давление, МПа | 0,05 | 
| Давление управления, МПа | 0,38 | 
| Номинальное напряжение постоянного тока, В | 12; 24; 48 | 
| Номинальное напряжение переменного тока частотой 50 Гц, В | 24; 36; 110; 220 | 
| Номинальное напряжение переменного тока частотой 60 Гц, В | 110; 220 | 
| Max частота переключений ц/мин, не менее | 400 | 
| Пропускная способность, Kv, м3 /с, не менее | 2,4 х 102 | 
| Масса, кг, не более | 1,94 | 
