Распределители 2-х линейные двухпозиционные с условным проходом (Ду) 2 мм и 3-х линейный двухпозиционный с условным проходом (Ду) 1,2 мм, с электромагнитным управлением и пружинным возвратом имеют:
- присоединение:
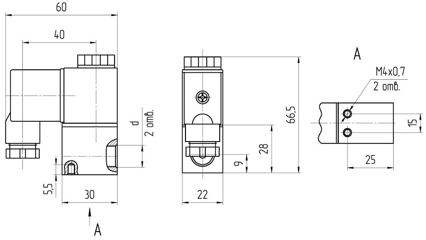
- резьбовое два отверстия в корпусе, трубы в стороны (РЭМ 2-2-18 и РЭМ 2-2-14);
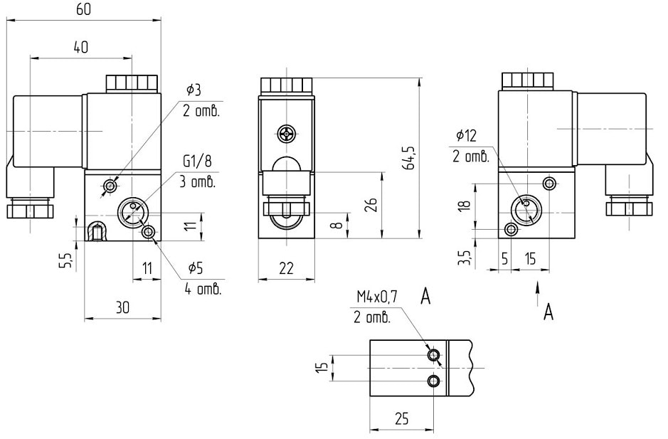
- резьбовое (возможен блочный монтаж) три отверстия в корпусе, трубы в стороны (РЭМ 3-1,2- 18Б).
Рабочая среда - сжатый воздух, очищенный не грубее 10 класса загрязненности по ГОСТ 17433 содержащий распыленное масло вязкостью от 10 до 35 мм2 /с (сСт) при температуре 50°С.
Климатическое исполнение О, категория размещения 4 по ГОСТ 15150.
Распределитель может работать при любых режимах и продолжительности включений по ГОСТ 19264.
Виброустойчивость и вибропрочность соответствуют III степени жесткости по ГОСТ28988. Степень защиты, обеспечиваемая оболочкой катушки распределителя - IP 65 по ГОСТ 14254.
Электромагнитную катушку можно повернуть на180°.
В качестве распределительного органа используется якорь с уплотнением, который расположен в гильзе.
В упоре гильзы выполнен атмосферный канал (3), а в корпусе распределителя - каналы питания (1) и выходной канал (2).
Цифры, заключенные в скобки, соответствуют маркировке отверстий на изделии и нумерации каналов на условном графическом обозначении.
В распределителе РЭМ 3-1,2-18Б предусмотрено ручное дублирование электрического сигнала кнопкой с пружинным возвратом.
Ручное дублирование предназначено для управления пневмораспределителем в наладочном режиме (при отключенном электропитании) и осуществляется механическим поднятием якоря в верхнее положение при помощи кнопки.
При заказе указать напряжение и род тока в соответствии с п. 8 таблицы «ТЕХНИЧЕСКАЯ ХАРАКТЕРИСТИКА».
Пневмораспределители могут быть установлены в любом пространственном положении.

УСЛОВНОЕ ГРАФИЧЕСКОЕ ОБОЗНАЧЕНИЕ

ТЕХНИЧЕСКАЯ ХАРАКТЕРИСТИКА
| Параметры | Нормы для типоразмеров | ||
| ПЭК 2-2- | РЭМ 2-2 | РЭМ 3-1,2- | |
| -18 | -14 | -18Б | |
| 1. Условный проход, мм | 2 | 1,2 | |
| 2. Присоединение пневмолиний | резьбовое / блочное | ||
| 3. Номинальное давление, Мпа | 1 | 0,8 | |
| 4. Минимальное давление, Мпа | 0,1 | ||
| 5. Время включения при номинальном давлении и номинальном напряжении, с, не более | 0,02 | ||
| 6. Время выключения при номинальном давлении и номинальном напряжении, с, не более | 0,03 | ||
| 7. Номинальное напряжение питания, В: | |||
| -постоянного тока | 12; 24; 48; 110 | ||
| -переменного тока частотой 50 Гц | 24; 48; 110; 220; 380 | ||
| 8. Колебание напряжен. питания от номинального | ±10% | ||
| 9.Номинал. потребляемая мощность, не более: | |||
| -постоянного тока, Вт | 4,8 | ||
| -переменного тока частотой 50 Гц, ВА | 5,5 | ||
| 10.Масса, кг, не более | 0,14 | 0,135 | 0,135 |
ГАБАРИТНЫЕ И ПРИСОЕДИНИТЕЛЬНЫЕ РАЗМЕРЫ
ПНЕВМОРАСПРЕДЕЛИТЕЛИ РЭМ 2-2-18; РЭМ 2-2-14

| Шифр при заказе | d |
| РЭМ 2-2-18 | G1/8 |
| РЭМ 2-2-14 | G1/4 |
ПНЕВМОРАСПРЕДЕЛИТЕЛЬ РЭМ 3-1,2-18Б
