 Общепромышленные трехфазные асинхронные электродвигатели АИР71В2, АИР71В4, АИР71В6
   Общепромышленные трехфазные асинхронные электродвигатели АИР71В2, АИР71В4, АИР71В6 применяются для комплектации промышленного оборудования: насосов, вентиляторов, строительной техники. 
Электродвигатели АИР 71В2, 71В4, 71В6 изготавливаются по умолчанию: 
- на напряжение 220/380В (шесть клемм в коробке выводов). 
- климатического исполнения У, категории размещения - 3 (эксплуатация в закрытых помещениях без регулирования климатических условий). 
- режим работы - продолжительный, S1. 
- степень защиты - IP54. 
Изготовление электродвигателей с повышенным скольжением, двумя концами вала и другие спец. исполнения, производится под заказ. 
Монтажное исполнение двигателей: 
- на лапах (IM 1081, 1001, 1011) 
- фланцевые (IM 3081, 3001, 3011) или фланцевые недоступные с обратной стороны (IM 3681) 
- комбинированные, лапы+фланец (IM 2081, 2001, 2011, 2181). 
Двигатели аналогичны по размерам и параметрам двигателям 5АИ71В4 (2, 6, 8), 4ААМ71В4. 
Технические характеристики электродвигателя АИР 71В2, АИР 71В4, АИР 71В6: 
| Электродвигатель | Мощность | Об/мин. (синхр)* | Ток при 380В, А* | KПД, %* | Kоэф. мощн.* | Iп/Iн | Мп/Мн | Мmax/Мн | Момент инерции, кгм2* | Масса, кг* | 
| АИР71В2 | 1,1 кВт | 2810 | 2,6 | 79,5 | 0,8 | 6 | 2,2 | 2,4 | 0,0011 | 9,5 | 
| АИР71В4 | 0,75 кВт | 1350 | 1,9 | 72 | 0,75 | 5 | 2,5 | 2,6 | 0,0015 | 9,4 | 
| АИР71В6 | 0,55 кВт | 920 | 1,8 | 69 | 0,68 | 4,5 | 1,9 | 2,2 | 0,002 | 9,9 | 
* - параметры имеют незначительные отличия в зависимости от производителя эл-двигателя. Масса приведена для алюминиевого корпуса, IM1081. 
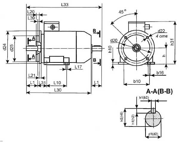
Габаритно-присоединительные размеры электродвигателей АИР71В: 
| Тип | L1 | L10 | L17 | L21 | L30 | L31 | L33 | b1 | b10 | b16 | h | h5 | h10 | h31 | d1 | d20 | d22 | d24 | d25 | 
| b2 | h6 | d2 | 2081 | 2181 | 2081 | 2181 | 2081 | 2181 | 2081 | 2181 | 
| 3081 | 3681 | 3081 | 3681 | 3081 | 3681 | 3081 | 3681 | 
| АИР71 | 40 | 90 | 7 | 10 | 273 | 45 | 317 | 6 | 112 | 10 | 71 | 21,5 | 8 | 188 | 19 | 165 | 85-115 | 12 | М6-М8 | 200 | 105-140 | 130 | 70-95 | 
