Общепромышленные трехфазные асинхронные электродвигатели АИР71А2, АИР71А4, АИР71А6 применяются для комплектации различного промышленного оборудования.
Электродвигатели АИР71А2, АИР71А4, АИР71А6 изготавливаются по умолчанию:
- на напряжение 220/380В (шесть клемм в коробке выводов).
- климатического исполнения У, категории размещения - 3 (эксплуатация в закрытых помещениях без регулирования климатических условий).
- режим работы - продолжительный, S1.
- степень защиты - IP54.
Изготовление электродвигателей с повышенным скольжением, двумя концами вала и другие спец. исполнения, производится под заказ.
Монтажное исполнение двигателей:
- на лапах (IM 1081, 1001, 1011)
- фланцевые (IM 3081, 3001, 3011) или фланцевые недоступные с обратной стороны (IM 3681)
- комбинированные, лапы+фланец (IM 2081, 2001, 2011) или комбинированные недоступные с обратной стороны (IM 2181)
Двигатели аналогичны по размерам и параметрам двигателям 5АИ71А4 (2, 6, 8), 4ААМ71А4.
Технические характеристики электродвигателя АИР71А2, АИР71А4, АИР71А6:
| Электродвигатель | Мощность | Об/мин. (синхр)* | Ток при 380В, А* | KПД, %* | Kоэф. мощн.* | Iп/Iн | Мп/Мн | Мmax/Мн | Момент инерции, кгм2* | Масса, кг* |
| АИР71А2 | 0,75 кВт | 2820 | 1,3 | 79 | 0,8 | 6 | 2,6 | 2,7 | 0,00097 | 8,7 |
| АИР71А4 | 0,55 кВт | 1360 | 1,7 | 71 | 0,71 | 5 | 2,3 | 2,4 | 0,0013 | 8,1 |
| АИР71А6 | 0,37 кВт | 900 | 1,4 | 65 | 0,63 | 4,5 | 2,1 | 2,2 | 0,0017 | 8,6 |
* - параметры имеют незначительные отличия в зависимости от производителя эл-двигателя. Масса приведена для алюминиевого корпуса, IM1081.
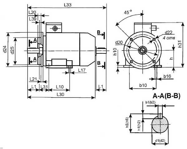
Габаритно-присоединительные размеры электродвигателей АИР71:
| Тип | L1 | L10 | L17 | L21 | L30 | L31 | L33 | b1 | b10 | b16 | h | h5 | h10 | h31 | d1 | d20 | d22 | d24 | d25 |
| b2 | h6 | d2 | 2081 | 2181 | 2081 | 2181 | 2081 | 2181 | 2081 | 2181 |
| 3081 | 3681 | 3081 | 3681 | 3081 | 3681 | 3081 | 3681 |
| АИР71 | 40 | 90 | 7 | 10 | 273 | 45 | 317 | 6 | 112 | 10 | 71 | 22 | 8 | 188 | 19 | 165 | 85-115 | 12 | М6-М8 | 200 | 105-140 | 130 | 70-95 |
