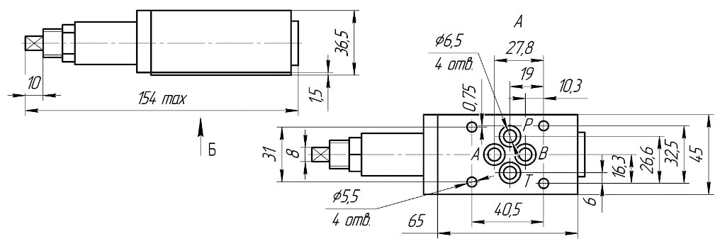
Гидроклапаны предохранительные модульные типа КПМ предназначены для поддержания установленного давления. Предохранение от превышения и разгрузки гидросистемы от давления.
| Модель гидроклапана | Диапазон давления на входе, МПа | Диапазон регулирования давления, МПа | Диапазон расхода рабочей жидкости, дм3/с | Внутренняя герметичность (максимальные внутренние утечки), см3/с | Время нарастания давления посте прекращения разгрузки, с, не более | Масса, не более, кг |
| КПМ-М 6/3-В 1 | 1,0-35,0 | 0,8-2,0 | 0-12,5 | 200 | 0,2 | 1,2 |
| КПМ-М 6/3-В2 | 1,2-6,3 | |||||
| КПМ-М 6/З-ВЗ | 2,0-20,0 | |||||
| КПМ-М 6/3-В4 | 5,0-32,0 |
