x
≡ каталог

Гидроклапаны предохранительные типа Г52-2

Гидроклапаны предохранительные типа Г52-2  Гидроклапаны предохранительные с переливным золотником типа Г52-2 предназначены для поддержания в гидросистемах установленного давления, а также предохранения от перезагрузок и разгрузок гидросистем от давления.

Рисунок 1. Структура условного обозначения



Таблица 1. Основные технические характеристики

Тип гидроклапанаНоминальный расход, л/минНаименьший расход, л/минНоминальное давление, кгс/смУсловный проход, ммДавление разгрузки, кгс/см3Вес клапанов, кг
Г52-22163631232,4
АГ52-22100
БГ52-22200
ПГ52-22632,6
ПАГ52-22100
ПБГ52-22200
Г52-234063164,4
АГ52-23100
БГ52-23200
Г52-24633632034,4
АГ52-24100
БГ52-24200
Г52-251605633238
АГ52-25100
БГ52-25200
ПГ52-25638,6
ПАГ52-25100
ПБГ52-25200
Г52-2625056340325
АГ52-26100
БГ52-26200
Г52-2763056350325
АГ52-27100
БГ52-27200
ПГ52-24633632034,8
ПАГ52-24100
ПБГ52-24200


Рисунок 2. Гидроклапан предохранительный типа ПГ52-2 стыковой



Таблица 2. Габаритные и присоединительные размеры ПГ 52-2 стыковой

Модель гидроклапанаLll1ВbНhh1h2h3h4h5b1Ddd1d2d3
ПГ52-22615032635013085132813411313161011104
ПАГ52-22
ПБГ52-22
ПГ52-247159373367200104124311632020281813104
ПАГ52-24
ПБГ52-24
ПГ52-2533674310630240144287010962222352817104
ПАГ52-25
ПБГ52-25


Рисунок 3. Гидроклапан предохранительный типа Г52-2 трубный



Таблица 3. Габаритные и присоединительные размеры Г 52-2 трубный

Модель гидроклапанаd по ГОСТ 6111-52*LВbНhh1h2
Г52-22К1 3/8"6466291801133149
АГ52-22
БГ52-22
Г52-23К1 1/2"9682342001323762
АГ52-23
БГ52-23
Г52-24К1 3/4"
АГ52-24
БГ52-24
Г52-25К1 1/4"120100402401724791
АГ52-25
БГ52-25


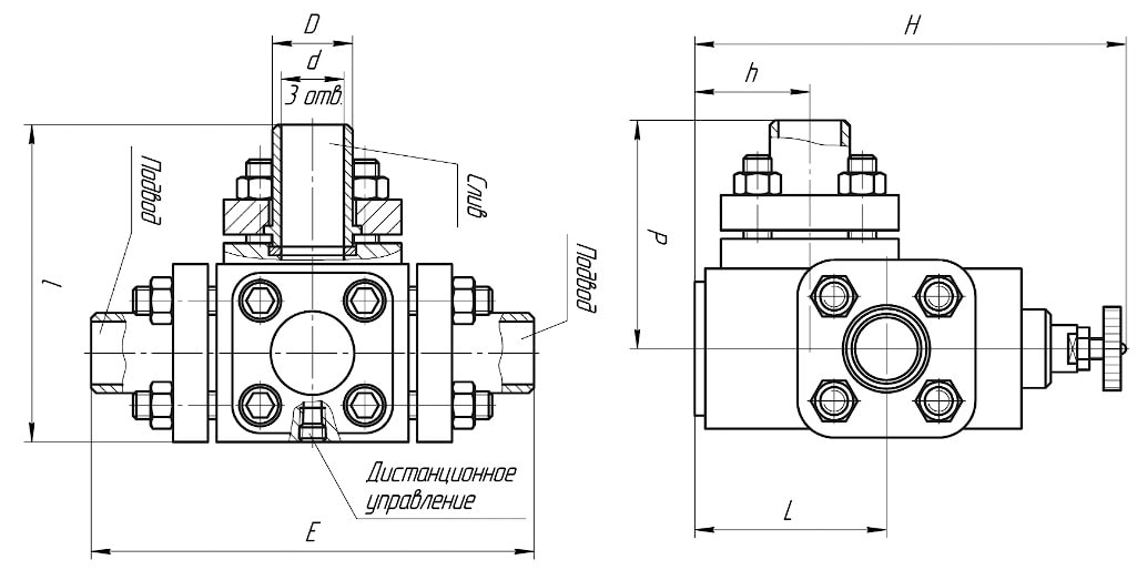
Рисунок 4. Гидроклапан предохранительный типа Г52-2 фланцевый



Таблица 4. Габаритные и присоединительные размеры Г 52-2 фланцевый

Модель гидроклапанаDdНЕlLhP
Г52-26513827625418211066127
АГ52-26
БГ52-26
Г52-27786331633223614083166
АГ52-27
БГ52-27




Если вы хотите купить гидроклапаны предохранительные типа Г52-2 , вы можете:



Ещё из раздела Гидроклапаны предохранительные

    Гидроклапаны предохранительные МКПВ-10/3М предназначены для поддержания установленного давления, предохранения от его превышения и разгрузки гидросистем от давления. Технические характеристики Наименование параметра Величина МКПВ-10/3М...1 ...
      Гидроклапаны предохранительные модульные типа КПМ предназначены для поддержания установленного давления. Предохранение от превышения и разгрузки гидросистемы от давления. Рисунок 1. Структура условного обозначения Таблица 1. Основные технические ...
        Гидроклапаны предохранительные М-КП непрямого действия со вспомогательным клапаном предназначены для поддержания установленного давления, для предохранения гидросистемы от превышения давления и разгрузки. Рисунок 1. Структура условного обозначения ...
          Гидроклапаны предохранительные типа МКПВ предназначены для поддержания установленного давления, предохранения от превышения и разгрузки гидросистемы от давления. Рисунок 1. Структура условного обозначения Таблица 1. Основные технические ...
          © 2025 bzp.by
          Юридический адрес: Беларусь, 220075, г. Минск, пер. Промышленный, д. 12А, каб. 2
          Адрес забора груза: Беларусь, 220066, г. Минск, ул. Несвижская, 25
          53.84194,27.64096
          + 375 44 717-92-27
          + 375 29 610-86-46 (директор)

          Время работы: 9:00 - 17:00
                                            
          bzp.by

          Сайт работает на платформе Nestorclub.com