Редукторы цилиндрические 1Ц2У-315, 1Ц2У-355, 1Ц2У-400, 1Ц2Н-450, 1Ц2Н-500 (с межосевым расстоянием тихоходной ступени до 500 мм) горизонтальные двухступенчатые с передачами Новикова серии Ц2У являются приводами общего назначения и предназначены для увеличения крутящего момента и уменьшения частоты вращения различных машин и механизмов.| Наименование технических характеристик | Типоразмер редуктора | |||||
| 1Ц2У-315 | 1Ц2У-355 | 1Ц2У-400 | 1Ц2Н-450 | 1Ц2Н-500 | ||
| Передаточные числа | 8; 10; 12,5; 16; 20; 25; 31,5; 40; 50 | |||||
| Допускаемая радиальная консольная нагрузка, Н | на быстроходном валу | 3500 | 4200 | 4800 | 8200 | 10000 |
| на тихоходном цилиндрическом валу | 30000 | 40000 | 45000 | 71000 | 100000 | |
| на т/х валу в виде зубчатой муфты | 40000 | 50000 | 56000 | 95000 | 140000 | |
| Номинальный крутящий момент на тихоходном валу, Н.м | 10000 | 14000 | 20000 | 40000 | 56000 | |
| КПД | 0,98 | 0,97 | ||||
| Масса, кг | 510 | 700 | 930 | 1530 | 2090 | |
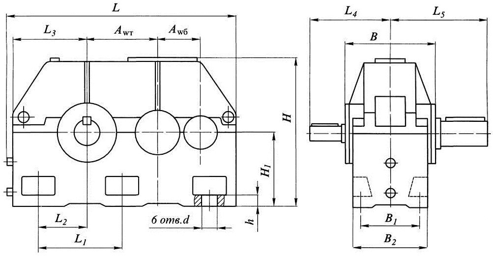
| Редуктор | Awt | Awb | В | B1 | B2 | Н | H1 | h | L | L1 | L2 | L3 | L4 | L5 | d |
| 1Ц2У-315 | 315 | 200 | 395 | 260 | 318 | 685 | 335 | 35 | 1030 | 370 | 215 | 360 | 300 | 420 | 28 |
| 1Ц2У-355 | 355 | 225 | 435 | 280 | 360 | 740 | 375 | 35 | 1160 | 425 | 250 | 400 | 320 | 440 | 28 |
| 1Ц2У-400 | 400 | 250 | 475 | 330 | 420 | 835 | 425 | 42 | 1300 | 475 | 280 | 450 | 380 | 500 | 35 |
| 1Ц2Н-450 | 450 | 280 | 630 | 515 | 590 | 955 | 475 | 50 | 1460 | 530 | 310 | 500 | 500 | 650 | 35 |
| 1Ц2Н-500 | 500 | 315 | 700 | 580 | 650 | 1055 | 530 | 60 | 1650 | 615 | 360 | 565 | 530 | 690 | 42 |
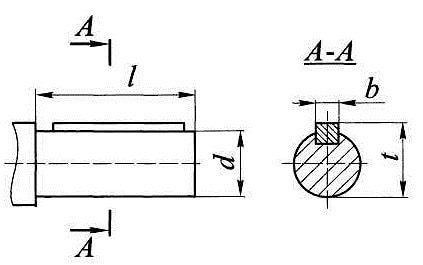
| Редуктор | быстроходный вал | тихоходный вал | ||||||
| d | l | b | t | d | l | b | t | |
| 1Ц2У-315 | 50k6 | 110 | 14 | 53,5 | 110m6 | 210 | 28 | 116 |
| 1Ц2У-355 | 55m6 | 110 | 16 | 59 | 125m6 | 210 | 32 | 132 |
| 1Ц2У-400 | 60m6 | 140 | 18 | 64 | 140m6 | 250 | 36 | 148 |
| 1Ц2Н-450 | 80m6 | 170 | 22 | 85 | 160m6 | 300 | 40 | 169 |
| 1Ц2Н-500 | 90m6 | 170 | 25 | 95 | 180m6 | 300 | 45 | 190 |
| Редуктор | b | d | d1 | d2 | d3 | L | l | l1 | Зацепление | |
| m | z | |||||||||
| 1Ц2У-315 | 30 | 252 | 130 | 110F8 | 140 | 275 | 10 | 60 | 6 | 40 |
| 1Ц2У-355 | 35 | 294 | 130 | 110F8 | 140 | 310 | 12,5 | 65 | 7 | 40 |
| 1Ц2У-400 | 40 | 336 | 180 | 150F8 | 215 | 335 | 15 | 65 | 8 | 40 |
| 1Ц2Н-450 | 50 | 420 | 200 | 160F8 | 230 | 440 | 15 | 70 | 10 | 40 |
| 1Ц2Н-500 | 50 | 420 | 200 | 160F8 | 230 | 470 | 15 | 70 | 10 | 40 |
| Редуктор | b | d | d1 | d2 | d3 | L |
| 1Ц2У-315 | 5 | 110h9 | 75h9 | 55 | M8x20 | 200 |
| 1Ц2У-355 | 5 | 125h9 | 75h9 | 55 | M8x20 | 235 |
| 1Ц2У-400 | 5 | 140h9 | 75h9 | 55 | M8x20 | 240 |
| 1Ц2Н-450 | 5 | 180h9 | 75h9 | 55 | M8x20 | 340 |
| 1Ц2Н-500 | 5 | 190h9 | 75h9 | 55 | M8x20 | 360 |
