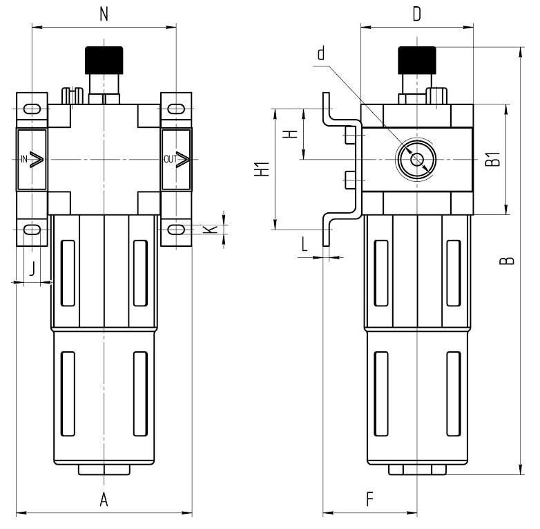
присоединение: G1/8"; G1/4"; G3/8"; G1/2"; G1";
условный проход (Ду): 4; 6; 10; 16; 25 мм;
расход воздуха: 1300 - 9000 л/мин.
Маслораспылители серии MINI; MIDI и MAXI с условным проходом (Ду) 4; 6; 10; 16; 25 мм предназначены для введения в поток сжатого воздуха распыленного масла с целью смазывания трущихся поверхностей, подвижных деталей в пневматических приводах и системах промышленного оборудования
различного назначения.
Присоединение: резьбовые отверстия в корпусе маслораспылителя.
Рабочая среда - сжатый воздух давлением от 0,1 до 1,6 МПа очищенном не грубее 10 класса по ГОСТ 17433.
Широкий диапазон расхода от 1300 до 9000 л/мин.
Климатическое исполнение УХЛ и О категория размещения 4 по ГОСТ 15150.
Масло из стакана, благодаря перепаду давления на входе и выходе из маслораспылителя, подается по трубке под прозрачный колпачок, откуда через отверстие распыляется в выходном потоке сжатого воздуха.
Дроссель, расположенный на корпусе маслораспылителя, позволяет настраивать требуемую подачу масла в пределах заданного диапазона.
Маслораспылители следует заправлять минеральным маслом вязкостью не более 35мм2 /с, очищенном не грубее 14 класса чистоты по ГОСТ 17216 или маслом ISO VG 32, при отсутствии давления в резервуаре через резьбовое отверстие, закрываемое пробкой.
В металлическом кожухе, защищающем прозрачный стакан маслораспылителя, имеются прорези, которые позволяют следить за уровнем масла.
Маслораспылители должны устанавливаться в местах, удобных для осмотра, обслуживания и контроля параметров, в вертикальном положении, резервуаром вниз, непосредственно на трубопроводе.
При монтаже маслораспылителей стрелка на корпусе должна совпадать с направлением движения потока воздуха.
При эксплуатации маслораспылителя необходимо:
- следить за уровнем масла в резервуаре и своевременно его доливать;
- контролировать величину подачи масла в пневмосистему, так как увеличение содержания масла в сжатом воздухе ведет к его повышенному расходу и загрязнению окружающей среды;
- удалять загрязнения из резервуара продувкой или промывкой теплой мыльной водой или керосином.
Пример записи при заказе маслораспылителя с условным проходом 10 мм, присоединительной резьбой G3/8", климатического исполнения УХЛ, категории размещения 4: МАСЛОРАСПЫЛИТЕЛЬ П-М-10-MIDI УХЛ 4
СТРУКТУРНАЯ СХЕМА ОБОЗНАЧЕНИЯ

УСЛОВНОЕ ГРАФИЧЕСКОЕ ОБОЗНАЧЕНИЕ

ТЕХНИЧЕСКАЯ ХАРАКТЕРИСТИКА
| Параметры | Нормы для типоразмеров | ||||
| П-М-4MINI | П-М-6MINI | П-М-10MIDI | П-М-16MIDI | П-М-25MAXI | |
| 1. Условный проход, мм | 4 | 6 | 10 | 16 | 25 |
| 2. Присоединение пневмолиний, дюйм | G1/8 | G1/4 | G3/8 | G1/2 | G1 |
| 3. Давление на входе, МПа | 0,5 - 1,6 | ||||
| 4. Номинальный расход воздуха, л/мин | 1300 | 2300 | 5500 | 6100 | 9000 |
| 5. Минимальный расход воздуха, л/мин | 3 | 6 | 10 | ||
| 6. Рабочая температура, оС | 0 - 60 | ||||
| 7. Масса, кг, не более | 0,241 | 0,237 | 0,538 | 0,813 | |
ГАБАРИТНЫЕ И ПРИСОЕДИНИТЕЛЬНЫЕ РАЗМЕРЫ
