Регулятор расхода РПМ-102 предназначен для управления расходом, поддержания заданного значения расхода вне зависимости от значения перепада давлений в подводимом и отводимом потоках рабочей жикости, проходящей через регулятор в одном направлении, и для свободного пропускания потока в противоположном направлении. 
| Наименование параметра | Величина | ||
| Условный проход, мм | 10 | ||
| Давление на входе, МПа номинальное максимальное | 20 23 | ||
| Допускаемое отклонение расхода при изменении разности давлений на входе и выходе и при изменении вязкости рабочей жидкости, не более | 15 см 3 /мин при расходе до 150 см 3 /мин; 10% при больших расходах | ||
| Минимально допустимая разность между давлениями на входе и выходе: при расходе 0,1 л/мин, МПа при расходе от 0,1 л/мин до 20 л/мин, МПа при расходе свыше 20 л/мин, МПа | 0,3 0,5 1,0 | ||
| Перепад давлений при прохождении номинального расхода через обратный клапан, МПа, не более | 0,6 | ||
| Давление открывания обратного клапана, МПа | 0,08 ± 0,03 | ||
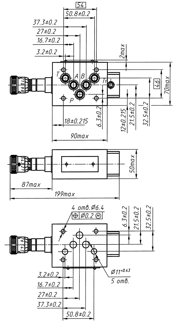
| Р - напорная гидролиния; А и В - гидролинии, идущие к другим гидроустройствам (цилиндровые гидролинии); T и Т 1 - сливные гидролинии. | |
