Гидроклапаны давления предназначены для поддержания заданной разности давлений в подводимом и отводимом потоках рабочей жидкости.
| Наименование параметров | Типы гидроклапанов | ||
| ... Г-54-32-М | ...Г-54-34М | ...Г-54-35М | |
| П...Г-54-32М | П...Г-54-34М | П...Г-54-35М | |
| Условный проход, мм | 10 | 20 | 32 |
| Расход масла, л/мин: | |||
| номинальный | 32 | 125 | 200 |
| максимальный | 45 | 160 | 285 |
| минимальный | 1 | 3 | 5 |
| Давление на входе, МПа: | |||
| номинальное | 20 | 20 | 20 |
| максимальное | 23 | 23 | 23 |
| Давление управления, МПа: | |||
| в линии X | 23 | 23 | 23 |
| в линии У | 10 | 10 | 10 |
| Номинальный перепад давления, МПа | 0,2 | 0,65 | 0,65 |
| Внутренние утечки, см3/мин | 15-200 | 20-280 | 32-280 |
| Масса (без рабочей жидкости), кг | 2,2-3,5 | 2,8-4,7 | 5,8-7,5 |
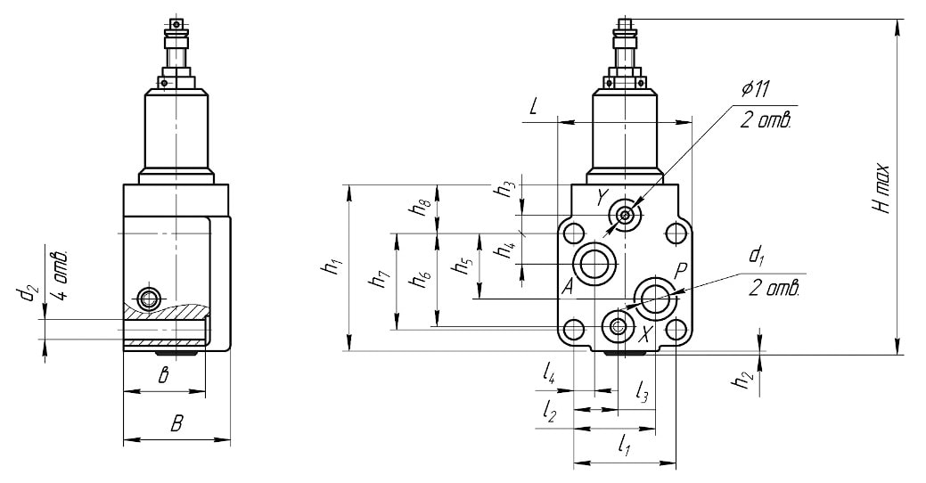
| Модель гидроклапана | Нmax | L | В | h1 | h2 | h3 | h4 | h5 | h6 | |||||
| h14 | h14 | ±0,7 | mах | ном. | пред. | ном. | пред. | ном. | пред. | ном. | пред. | |||
| откл. | откл. | откл. | откл. | |||||||||||
| ПАГ54-32М | 201 | 68 | 65 | 91 | 2 | 13 | ±0,2 | 13 | ±0,2 | 28 | ±0,2 | 43 | ±0,2 | |
| ПГ54-32М | ||||||||||||||
| ПБГ54-32М | ||||||||||||||
| ПВГ54-32М | ||||||||||||||
| ПДГ54-32М | ||||||||||||||
| ПАГ54-32М1 | 264 | |||||||||||||
| ПГ54-32М1 | ||||||||||||||
| ПБГ54-32М1 | ||||||||||||||
| ПВГ54-32М1 | ||||||||||||||
| ПДГ54-32М1 | ||||||||||||||
| ПАГ54-34М | 220 | 88 | 66 | 109 | 2,5 | 12 | ±0,3 | 20 | ±0,3 | 43 | ±0.3 | 61 | ±0,3 | |
| ПГ54-34М | ||||||||||||||
| ПБГ54-34М | ||||||||||||||
| ПВГ54-34М | ||||||||||||||
| ПДГ54-34М | 242 | 70 | ||||||||||||
| ПАГ54-34М1 | 283 | 66 | ||||||||||||
| ПГ54-34М1 | ||||||||||||||
| ПБГ54-34М1 | ||||||||||||||
| ПВГ54-34М1 | ||||||||||||||
| ПДГ54-34М1 | 305 | 70 | ||||||||||||
| ПАГ54-35М | 252 | 108 | 74 | 142 | 3 | 10 | ±0,3 | 26 | ±0,3 | 70 | ±0,3 | 93 | ±0,3 | |
| ПГ54-35М | ||||||||||||||
| ПБГ54-35М | ||||||||||||||
| ПВГ54-35М | 274 | |||||||||||||
| ПДГ54-35М | ||||||||||||||
| ПАГ54-35М1 | 315 | 74 | ||||||||||||
| ПГ54-35М1 | ||||||||||||||
| ПБГ54-35М1 | ||||||||||||||
| ПВГ54-35М1 | 337 | |||||||||||||
| ПДГ54-35М1 | ||||||||||||||
| ПАГ54-32М | 41 | 36 | ±0,2 | 50 | 38 | ±0,2 | 20 | ±0,2 | 12 | ±0,2 | 49 | 10 | 11 | |
| ПГ54-32М | ||||||||||||||
| ПБГ54-32М | ||||||||||||||
| ПВГ54-32М | ||||||||||||||
| ПДГ54-32М | ||||||||||||||
| ПАГ54-32М1 | ||||||||||||||
| ПГ54-32М1 | ||||||||||||||
| ПБГ54-32М1 | ||||||||||||||
| ПВГ54-32М1 | ||||||||||||||
| ПДГ54-32М1 | ||||||||||||||
| ПАГ54-34М | 63 | 32 | ±0,3 | 67 | 53,5 | ±0,2 | 29,5 | ±0,2 | 13,5 | ±0,3 | 55 | 18 | 13 | |
| ПГ54-34М | ||||||||||||||
| ПБГ54-34М | ||||||||||||||
| ПВГ54-34М | ||||||||||||||
| ПДГ54-34М | ||||||||||||||
| ПАГ54-34М1 | ||||||||||||||
| ПГ54-34М1 | ||||||||||||||
| ПБГ54-34М1 | ||||||||||||||
| ПВГ54-34М1 | ||||||||||||||
| ПДГ54-34М1 | ||||||||||||||
| ПАГ54-35М | 96 | 32 | ±0,3 | 80 | 60 | ±0,3 | 32 | ±0,3 | 20 | ±0,3 | 64 | 25 | 17 | |
| ПГ54-35М | ||||||||||||||
| ПБГ54-35М | ||||||||||||||
| ПВГ54-35М | ||||||||||||||
| ПДГ54-35М | ||||||||||||||
| ПАГ54-35М1 | ||||||||||||||
| ПГ54-35М1 | ||||||||||||||
| ПБГ54-35М1 | ||||||||||||||
| ПВГ54-35М1 | ||||||||||||||
| ПДГ54-35М1 | ||||||||||||||
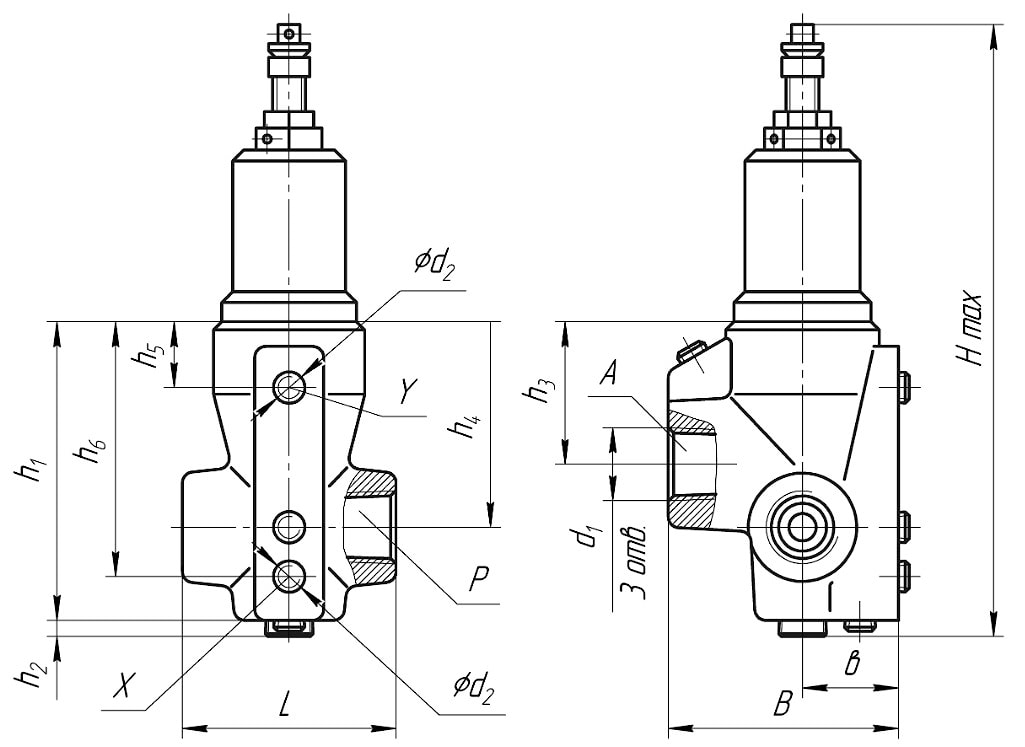
| Модель гидроклапана | Размеры, мм | |||||||||||
| Резьба по ГОСТ 6111-52 | Нmax | L | В | h1 | h2 | h3 | h4 | h5 | h6 | b | ||
| ±t2/2 | 1,5 | ±1,8 | max | ±0,3 | ±0,3 | ±0,3 | ±0,6 | ±t2/2 | ||||
| d1 | d2 | -0,5 | ||||||||||
| АГ54-32М | K3/8" | K1/8" | 201 | 56 | 79 | 91 | 2 | 48 | 64 | 22 | 79 | 32 |
| Г54-32М | ||||||||||||
| БГ54-32М | ||||||||||||
| ВГ54-32М | ||||||||||||
| ДГ54-32М | ||||||||||||
| АГ54-32М1 | 264 | |||||||||||
| Г54-32М1 | ||||||||||||
| БГ54-32М1 | ||||||||||||
| ВГ54-32М1 | ||||||||||||
| ДГ54-32М1 | ||||||||||||
| АГ54-34М | K3/4" | K1/8" | 220 | 78 | 84 | 109 | 2,5 | 52 | 75 | 24 | 93 | 35 |
| Г54-34М | ||||||||||||
| БГ54-34М | ||||||||||||
| ВГ54-34М | ||||||||||||
| ДГ54-34М | 242 | |||||||||||
| АГ54-34М1 | 283 | |||||||||||
| Г54-34М1 | ||||||||||||
| БГ54-34М1 | ||||||||||||
| ВГ54-34М1 | ||||||||||||
| ДГ54-34М1 | 305 | |||||||||||
| АГ54-35М | K 1 1/4" | K1/8" | 252 | 100 | 94 | 142 | 3 | 58 | 101 | 24 | 125 | 40 |
| Г54-35М | ||||||||||||
| БГ54-35М | ||||||||||||
| ВГ54-35М | ||||||||||||
| ДГ54-35М | 274 | |||||||||||
| АГ54-35М1 | 315 | |||||||||||
| Г54-35М1 | ||||||||||||
| БГ54-35М1 | ||||||||||||
| ВГ54-35М1 | ||||||||||||
| ДГ54-35М1 | 337 | |||||||||||