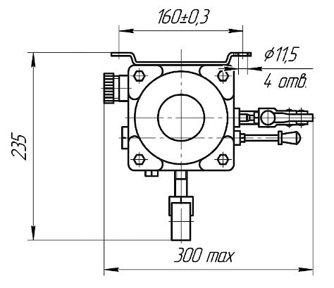
Станции смазочные двухпоточные ручные типа СДР предназначены для нагнетания вручную пластичного смазочного материала к двухлинейным питателям централизованной смазки. | Наименование параметров | Величина |
| Тип насоса | одноплунжерный |
| Производительность, см3/цикл | 7,2 |
| Вместимость резервуара, дм3 | 2,5 |
| Давление на выходе, МПа, не менее: | 10 |
| Рабочий объем, см3, не менее: | 5 |
| Масса, кг | 8,6 |
