x
≡ каталог

Насосы нерегулируемые радиально-поршневые 50НР и 50НС

Насосы нерегулируемые радиально-поршневые 50НР и 50НС  Насосы нерегулируемые радиально-поршневые 50НР и 50НС с постоянным по значению и направлению потоком рабочей жидкости предназначены для нагнетания рабочей жидкости в гидросистемы.

Насосы 50НР обеспечивают получение одного или двух потоков рабочей жидкости давлением до 63 МПа, а насосы 50НС кроме того еще одной подачи от пластинчатого насоса давлением до 6,3 МПа.

Структура условного обозначения:


Основные технические характеристики:

Модель насоса

Номинальный рабочий объем

Частота вращения

Номинальная подача

Номинальная мощность

Масса насоса (без рабочей жидкости)

насос

одного отвода насоса

nom

max

min

насос

одного отвода насоса

насос

одного отвода насоса

см3

с-1, (об/мин)

дм3/мин

кВт

кг

50НР4

4

-

25 (1500)

30 (1800)

5 (300)

5,5

-

4,9

--

19

50НР6,3

6,3

-

8,6

-

7,7

-

19

50НР14

14

-

19,3

-

17,2

-

23

50НР14/2

14

14/2

19,3

9,6

17,2

9,33

23

50НР16

16

-

22

-

19,5

--

33

50НР32

32

-

44,1

-

39,2

-

39

50НР32/2

32

32/2

44,1

22

39,2

21,4

39

50НР63

63

-

73,8

-

73,8

-

77

50НР63/2

63

63/2

73,8

40,4

73,8

40,4

77



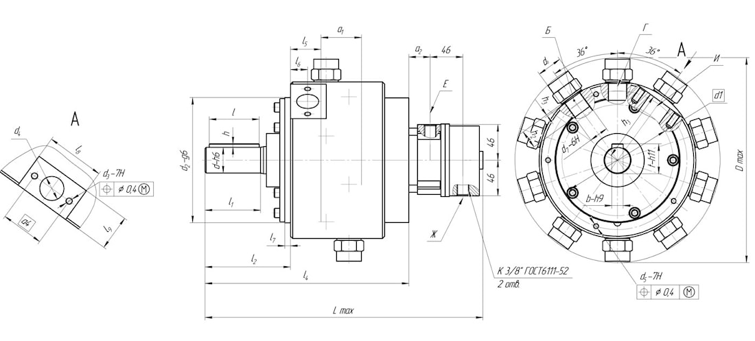
Габаритные и присоединительные размеры радиально-поршневых нерегулируемых насосов 50НР:



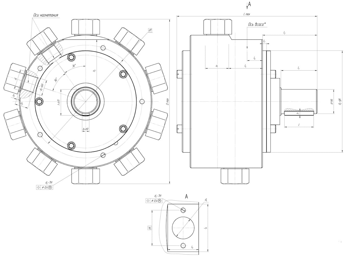
Габаритные и присоединительные размеры радиально-поршневых нерегулируемых насосов 50НС:






Если вы хотите купить насосы нерегулируемые радиально-поршневые 50НР и 50НС , вы можете:



Ещё из раздела Насосы радиально-поршневые

    Насосы радиально-поршневые нерегулируемые типа НР2 предназначены для нагнетания рабочей жидкости в гидросистемах механизмов шагающих экскаваторов, турбин (АЭС),в гидросистемах ковочных прессов и других мощных гидрофицированных машин. № Наиме- ...
      С механизмами изменения подачи: ручными (Р),следящим (С), электромагнитным (М), гидравлическим (Г), регулятором мощности (Д1), регулятором давления (1Д) Предназначены для нагнетания рабочей жидкости в гидросистемы прессов пакетировочных, листогибов, ...
        Предназначены для нагнетания рабочей жидкости в гидросистемы термопластавтоматов, в кузнечно-прессовом производстве (листогибы, пакетировочные пресса), в горно-металлургической промышленности и других гидрофицированных механизмах. № Наиме- нование и ...
        © 2025 bzp.by
        Юридический адрес: Беларусь, 220075, г. Минск, пер. Промышленный, д. 12А, каб. 2
        Адрес забора груза: Беларусь, 220066, г. Минск, ул. Несвижская, 25
        53.84194,27.64096
        + 375 44 717-92-27
        + 375 29 610-86-46 (директор)

        Время работы: 9:00 - 17:00
                                          
        bzp.by

        Сайт работает на платформе Nestorclub.com